Paso 1: Lo que se necesita (y donde conseguirlo):

Si desea un chip preprogramado, ponerse en contacto conmigo a través de este sitio web, voy a intentar enviarle un chip por $5,50 enviados. Editar: chips no más pre programadas, también se trasladó a PIC18 para mejor < 3.3V compatibilidad.
1. la Button (R) fácil Staples. Comprar en línea desde aquí: http://www.staples.com/office/supplies/StaplesProductDisplay?storeId=10001&langId=-1&catalogIdentifier=2&partNumber=606396
o conseguir en cualquier tienda de Staples(R) de $5,49. Al parecer su ganancia va a la caridad, así que esto es bueno todo.
2. un perfboard o PCB. Yo he presentado un PCB para usted que usted puede haber fabricado aquí para barato: http://dorkbotpdx.org/wiki/pcb_order . A partir de la escritura un conjunto de 3 tablas costo $8,65 (ea$ 2,89). El formato de archivos (Eagle CAD) puede encontrarse aquí:https://netfiles.uiuc.edu/zcheng1/www/liljon.zip . Alternativamente, haz un perfboard (e.g. http://www.radioshack.com/product/index.jsp?productId=2102862 ) y alambre para arriba sí mismo según los esquemas siguientes.
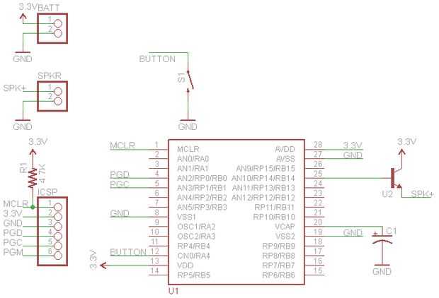
3. el microcontrolador sí mismo (U1). Usé un dsPIC33FJ128GP202. También se puede utilizar el dsPIC33FJGP802, o cualquiera de los otros que tienen 128KB de flash (para almacenar las muestras) y vienen en un paquete de 28 pines PDIP (es decir, un montaje no superficial). Cómpralo aquí: http://www.microchipdirect.com/ (DSPIC33FJ128GP202-I/SP) para $4,93 o se muestra gratis aquí http://www.microchip.com/samples/ . Recuerde que obtener la versión SPDIP.
4. cualquier resistor de 1 K - 4.7 K Ohm (R1). Esto sirve para sacar el pin de reset (~ MCLR) para el microcontrolador. Esto es opcional, sobre todo si tienes un chip preprogramado. Sólo puede soldar un puente luego de que la resistencia debe ser (R1). Esto debería ser de $0,05 si tienes que comprarlo.
5. un transistor NPN (U2). Cualquier común transistor bipolar NPN hará aquí. Este sirve como un amplificador (de las clases, a pesar de funcionará como un interruptor y no en la gama linear). Si no tienes idea, un 2N3904 o el 2N2222 funciona muy bien. Del mismo modo debe ser de $0,05-$0,10.
6. un condensador de uF 10 + (C1). Esto es necesario porque el microcontrolador tiene un regulador de voltaje interno que es bastante ruidoso. Usted está sin embargo en la suerte como el Easy Button (R) original tiene un condensador que es un 47uF 10V electrolítico, perfecto para recuperar las piezas aprovechables para este fin. De lo contrario conseguir un níquel.
7. un tablero de montaje pulsador (S1). Este es el tipo más común de 4 perno empuje interruptor de botón. Consíguelo en Sparkfun para $0,35 http://www.sparkfun.com/products/97 si no tienes una pareja ahí.
El costo total de piezas es de $13,86 (incluyendo algo de dinero a la caridad, pero no incluyendo el envío)