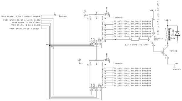
Paso 4: Paso 4. La solución de entrada de salida... 74ls595 tristate octal serial shift register


A total de 16 barras de tono cromático y solenoides se montaron en el caso de xilófono. Para la conducción de los solenoides de
la chispa .io he usado cambio serie octal estado de tri, (2) y con 74ls595 registra para expandir los pines de salida. El 74ls595
requiere un dato de entrada Spark.io D3, un cambio de serie reloj spark.io D4, Spark.io D5 del reloj de un seguro de datos, un
datos cierre tristate control línea Spark.io D6 y un cambio claro registran datos cierre pin Spark.io D7. Tenga en cuenta que
según su código de los pernos pueden ser reasignados. Hojas de datos presentan en este instructable fueron
descargado Jameco.com o Digikey.com. El esquema representa a través de una red de 2n2222 y un tip120
Darlington par sin embargo uno también podría considerar utilizar el controlador uln2804 ic simplificar el diseño si 500 unidad de ma
actual es suficiente para los solenoides.