Paso 3: Hacer las descripciones de circuito


En este momento tenemos una idea y unos valores. Tiempo para hacer un resumen.
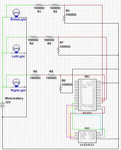
Cuadro 1: Resumen del circuito de motos.
La tensión de los frenos y las luces intermitentes es entre 12-14 voltios. Una entrada analógica de la arduino debe estar bajo 5V así con un simple divisor de tensión que podemos conseguir estos valores debajo de 5V.
Cuadro 2: Resumen del circuito de la mochila.
Tiempo para implementar los cálculos del paso anterior en el circuito completo.