WiFi controló tira de LED RGB (5 / 10 paso)

Paso 5: Conecte el circuito a Linkit uno y de la energía de la fuente

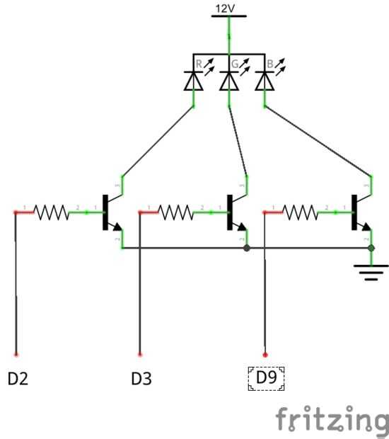
Así que el siguiente paso es conectar tu circuito soldada al Linkit para obtener las señales de la tira y la fuente de alimentación al poder la tira. Se puede conectar siguiendo el esquema o el texto a continuación.

  1. Pin de emisor de todos los transistores para ser conectado al pin GND de linkit uno.
  2. Perno base de Transistor 1 conectarse a 9 PIN Digital de linkit uno.
  3. Perno de base del Transistor 2 conectado al PIN Digital 3 de linkit uno.
  4. Perno base de Transistor 3 para ser conectado al PIN Digital 2 de linkit uno.
  5. Ánodo de tira del LED para ser conectado a la fuente de alimentación (+).
  6. Emisor de pasadores de todos los transistores para conectarse a la fuente de alimentación (-).

Recuerda que usando las clavijas 3 y 9 es necesario y no se puede cambiar ya que son los pines PWM sólo de Linkit. Puesto que hay solamente dos de ellos, el tercer color de la tira de LED debe ser controlado a un pin digital normal.

Artículos Relacionados

¿Analizador de espectro de frambuesa Pi con tira de LED RGB y Python

¿Analizador de espectro de frambuesa Pi con tira de LED RGB y Python

en busca de un primer proyecto probar en un Raspberry Pi, aunque qué mejor que un analizador de espectro? (A veces esta pantalla es erróneamente que se refiere para como un ecualizador gráfico, que vamos a cambiar el sonido, no mostrarlo)Pude consegu
Controladora de tira de LED RGB

Controladora de tira de LED RGB

Se trata de una control remoto multicolor LED tira caja regulador que hice para un amigo. Tenemos previsto instalar iluminación sutil dentro de su coche para los que tenemos una caja pequeña del regulador + mando a distancia con las tiras de LED mult
Circuito de tira de LED RGB con Arduino

Circuito de tira de LED RGB con Arduino

Este Instructable cubre el montaje de un circuito capaz de ing de PWM (modulación de anchura de pulso) una tira de LED RGB 12v 9 y programación un Arduino para desplazarse a través de una gama de colores. Discutir cómo montar un transistor a un disip
Elegante teléfono controlado árbol de Navidad con tira de LED RGB

Elegante teléfono controlado árbol de Navidad con tira de LED RGB

Navidad ya está aquí, hemos decorado este árbol de Navidad con tira de LED RGB para nuestra fiesta de Navidad y lo hizo un árbol de teléfono inteligente controlado. XD. es que presentará una magia de "última hora" para el espectáculo de Navidad.
Tiras de LED RGB

Tiras de LED RGB

en este instructable, quería mostrarle mis tiras de LED RGB (rojas, verdes, azul). Cada tira tiene 36 LED ' s rojos, 36 LED verde y 36 LEDs azules. En general las tiras son 47 pulgadas de largo excepto el uno en el extremo izquierdo, es un poco más c
Controladora de tira de LED RGB de Arduino

Controladora de tira de LED RGB de Arduino

Tenía curiosidad sobre el uso de tira de LED RGB, así que compré uno y decidí hacer un pequeño controlador para ver lo que puedo hacer con ello... así que aquí está.Si tienes alguna duda, comentario, crítica constructiva... no dudes en escribirnos :)
Cómo controlar una tira de LED RGB - Tutorial de Arduino

Cómo controlar una tira de LED RGB - Tutorial de Arduino

En este tutorial vamos a utilizar una tira con 8 LED ' s RGB con la placa de Arduino uno. Usaremos la biblioteca de NeoPixel de Adafruit para cambiar el color de cada led.Vamos a empezar!Paso 1: Lo que se necesitaPara este proyecto necesitarás:Arduin
Everymans Simple WS2801 controlador de tira de LED RGB

Everymans Simple WS2801 controlador de tira de LED RGB

El propósito de este instructable es hacer ciudadanos capaces de tomar el control de la WS2801 RGB led tiras para la decoración del hogar o tienda con el mínimo esfuerzo. Las tiras Led WS2801 tienen un pequeño chip para cada led y permite fijar cada
Hexágonos de la pipa PEX con tira de LED RGB

Hexágonos de la pipa PEX con tira de LED RGB

Construido para un telón de fondo de etapa este proyecto cuenta con algunas formas hexagonales de 3/4" la pipa de PEX, similar a un aro del LED hula, algunos 12 voltios RGB LED tira y un NLED 30 canal alto LED controlador de corriente. Los hexágonos
Las infinitas posibilidades de tiras de LED RGB!!

Las infinitas posibilidades de tiras de LED RGB!!

Este es mi primer Inscrutable, y es sobre cómo añadir unas tiras de luz RGB (rojo verde azul) y un controlador a su coche, ni nada. Mina pongo bajo mi guión, sin embargo usted puede poner dondequiera usted tiene gusto, que es la belleza de ella!* ¡ C
Control de un LED RGB con el módulo de Bluetooth HC-06 con Android OS(Arduino)

Control de un LED RGB con el módulo de Bluetooth HC-06 con Android OS(Arduino)

Este tutorial explicará el proceso de conectarse un Arduino con un módulo de Bluetooth HC-06 y controlar el color de un LED RGB mediante la aplicación de ArduDroid en el sistema operativo Android. Esta configuración es muy probable que también trabaj
Control de un Led RGB con Arduino y procesamiento

Control de un Led RGB con Arduino y procesamiento

este instructable (mi primer no menos) se muestra cómo controlar un RGB led usando procesamiento y arduino.La característica fundamental que el color se selecciona haciendo clic en una imagen, el valor RGB del pixel que usted haga clic en es procesad
Ciclo de luz: Tiras de LED RGB programable en el marco de la bici

Ciclo de luz: Tiras de LED RGB programable en el marco de la bici

ya he estado trabajando en proyectos similares, éste realmente es el siguiente paso de un proyecto anterior. Ver:Y antes de empezar, debemos tener una demostración del efecto final (el video es cuando la moto no estaba aún cubierta).He visto muchos i
¿Cómo tiras de LED RGB puede ofrecer 2 años de garantía?

¿Cómo tiras de LED RGB puede ofrecer 2 años de garantía?

De hecho, cuando china manufactuer ofrecer tiras LED a usted y prometen 2 años de garantía, pero si la tira de LED son epoxi, es un lie.because cuando en la alta temperatura y condiciones de deslumbramiento, el epoxi se convierten muy duro y amarillo