Paso 5: Paso 5: el circuito


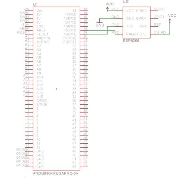
Esta parte es bastante simple. Si eres como yo y no super preocupada por el cambio de nivel de lógica, sólo tiene que conectar los dos juntos. Asegúrese de que conectar el RX de la ESP en el TX del Arduino y el TX de la ESP en la RX del Arduino. Si no lo hace el ESP y el Arduino se ambos gritando el uno al otro pero nadie le escucha. Conecte el pin VCC a 3.3V y el GND a tierra bien. El pin sólo astuto aquí es el pin CH_PD. Este es el pin del Chip Powerdown. Cuando este pin es bajo dice ESP8266 a sí mismo la energía hacia abajo. Si quieres control estrecha de la corbata de ESP en uno de su GPIO pins en el Arduino, de lo contrario sólo conéctelo a 3.3V para que el ESP está siempre en. Para aún más control Ate el pin RST en el ESP en el Arduino también. Así, si fuera necesario, puede realizar un completo hardware reset en el ESP.
---Conexiones---
-Arduino---|---ESP8266---
TX | RX
RX | TX
3,3 V | VCC
3,3 V | CH_PD
TOMA DE TIERRA | TOMA DE TIERRA
---Opcional---
GPIO | RST
GPIO | CH_PD