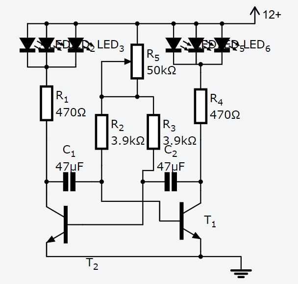
Wee intermitente led | por el transistor 2 (1 / 3 paso)

Paso 1: Diagrama del circuito

Artículos Relacionados

Lámpara LED verde (controlada con intermitente led)

Lámpara LED verde (controlada con intermitente led)

hace unos años leí un artículo sobre iluminación en los países en desarrollo, dijo que 1,6 billones de personas no tienen acceso a electricidad y una fuente confiable de la iluminación es un gran problema para ellos. Una empresa canadiense fabrica y
Cómo hacer un brazalete de Paracord intermitente LED

Cómo hacer un brazalete de Paracord intermitente LED

Aprende a hacer pulseras paracord de intermitentes LED para asegurarse de que usted puede ver!Paso 1: Se necesita...Para hacer la pulsera del paracord de LED necesita lo siguiente:ParacordCinta métricaTijerasEncendedorUna banda de muñeca de LED de al
Intermitente LED corazón DIY

Intermitente LED corazón DIY

Una serie de 10mm LED colocados en una caja de madera en forma de corazón que flash utilizando un timer 555 con velocidad ajustable intermitente alimentada por una batería de 9 voltios. Tengo esta idea, porque yo estaba pensando en un regalo para mi
Intermitente LED con frambuesa Pi

Intermitente LED con frambuesa Pi

Intermitente LED sencillo proyecto para niños.Lo que usted necesita:LED de dos colores diferentesresistencia de 1 k ohmProtoboardMacho a hembra cables de puenteFrambuesa piPaso 1: Programa de Pythonimportación RPi.GPIO como GPIOtiempo de importación#
Hacer un cartón arenador del ghetto con intermitente LED de lujo

Hacer un cartón arenador del ghetto con intermitente LED de lujo

hice una caja de cartón ghetto blaster para una de los 80 fiesta de disfraces temática. Pensé en que compartir cómo lo hice aquí.Lo he usado y lo que usted necesitará:Caja de cartónDiversas pinturasCinta de enmascarar20 LEDs40 cables cerca de 10 pulg
Intermitente LED multicolor OVNI Frisbee disco

Intermitente LED multicolor OVNI Frisbee disco

Frisbee es un deporte! No dejes que la oscuridad cortar su Frisbee tiempo!Es fácil añadir añadir algunos LED brillante, destellante, multicolor a tu disco favorito lo que le permite jugar en horas de la madrugada.Piezas necesariasDisco Frisbee - espu
Caja universal para intermitente LED música

Caja universal para intermitente LED música

bien, en este Instructable le mostrará cómo crear una caja para hacer cualquier led flash a la música.La dificultad de esto es un poco por encima de la media de comprensión.PERO yo intente y hacerlo tan fácil como sea posible, por lo que cualquier pe
Latidos intermitentes LED

Latidos intermitentes LED

Este trabajo se deriva pesadamente de varios tutoriales que raspó juntos desde otros lugares para obtener toda la información en un solo lugar. Me va a citar todas las referencias al final.El proyecto:Aquellos que siguen me vendrá a notar que atan a
Intermitente Led pendientes

Intermitente Led pendientes

¿Alguna vez has querido una geek pieza de joyería para usted o un ser querido? En este instructable le mostraré cómo hacer un par de pendientes de led! Incluso cambian de color, que los hace ideal para usar en las fiestas.¡ Empecemos!Paso 1: Lista de
Pulsátil/desvanecimiento/intermitente LED con temporizador 555

Pulsátil/desvanecimiento/intermitente LED con temporizador 555

este pequeño circuito es una manera simple de hacer una decoloración led sin tener que programa chips o escribiendo código. Sólo algunos componentes simples y usted está listo para desaparecer todo el día.El resultado final es una transición constant
Gratis fuentes para LEDs infrarrojos y transistores de la foto

Gratis fuentes para LEDs infrarrojos y transistores de la foto

este instructivo puede consultarse en la web del autor - http://www.neatinformation.com/Si usted enlace a este instructable desde otro sitio web, por favor incluya un enlace a la Web de Información aseado .El proyecto descrito en este artículo requie
Magdalena Blumcaw (intermitente, LED, ultrasonidos, motorizado, guac, Arduino, bruja) con piezas impresas 3d

Magdalena Blumcaw (intermitente, LED, ultrasonidos, motorizado, guac, Arduino, bruja) con piezas impresas 3d

Esta vieja bruja tiene una parpadeo la verruga en su nariz.  Si pisas demasiado cerca (según lo determinado por un transductor ultrasónico Ping), ella se cacarea a un saludo, hará girar su sombrero y sus ojos destellará siete colores.Blumcaw se puede
Intermitente LED con temporizador 555

Intermitente LED con temporizador 555

estaba tratando de poner en un video pero no funcionó para mí, así que aquí tenéis un enlace a YouTube http://www.youtube.com/watch?v=9rS9nFG8xdISe trata de una instrucción detallada que muestra cómo construir un parpadeo LED con temporizador 555.No
Intermitente LED tapa tubo Pad para tu moto

Intermitente LED tapa tubo Pad para tu moto

bueno es esa época del año otra vez. Así es, el sol va abajo temprano y es más difícil evitar el registro de algunas millas en bicicleta al anochecer. Probablemente tienes grandes luces delantero y trasero ya, pero ¿qué hay en los laterales de tu mot