Paso 2: El diseño

Reproducción de audio y vídeo se realizan completamente en el propulsor, sólo tenemos que añadir el A / V conectores y dos interruptores para permitir al usuario interactuar con el fuego.
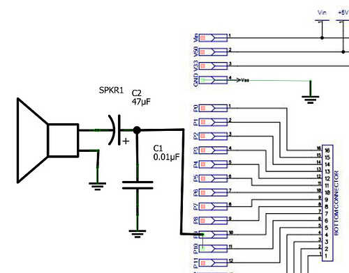
Audio
La chimenea Video utiliza un ProtoPlus encima de la que tiene el circuito de audio y video ya establecido. Pero si vas a compilar el proyecto en un protoboard, para el audio, he conectado al pin 11, aunque yo podría se utilizado cualquier otro pin. Aquí está el circuito;

El pequeño condensador cerámico (.01uF) actúa como filtro de paso bajo y ayuda a mantener limpio el audio que suena, pero es opcional.
Video
Tres espigas en la hélice trabajan juntos para generar la señal de vídeo compuesto. Los pines se conectan entre sí a través de tres resistores, aquí está el circuito;

P12 obtiene la resistencia k 1.1 P13 obtiene la resistencia de 560 ohm y P14 obtiene el resistor de 270 ohm.
Interruptores
Un interruptor le permite avivar el fuego y el interruptor agrega madera. También usar dos resistencias como 'Finalizar'. Si no utilizas pullups (llamado dejándolas flotantes), el estado del pin puede ser no fiable, así que es mejor conectar la clavija en un estado conocido para cuando los interruptores están abiertos.

Es la electrónica, ahora te mostraré cómo soldar entre sí.