Vehicle(Arduino+TAMIYA) eléctrica programable (2 / 7 paso)

Paso 2: DC Motor Driver puente H Junta

Artículos Relacionados

Muy Simple Arduino cerradura eléctrica

Muy Simple Arduino cerradura eléctrica

este es un instructivo para un Arduino muy simple controlado por cerradura eléctrica.La idea clave aquí es ser muy simple como esto era más una prueba de tipo de prototipo de concepto de cosa.El Arduino se utiliza como un interruptor para controlar l
Programa ChipKIT DP 32 con Arduino IDE

Programa ChipKIT DP 32 con Arduino IDE

Lo que usted necesita: un microprocesador ChipKIT DP 32 (todos los cables incluidos) y un ordenador portátilPara programar un DP 32 sin un dispositivo programador (Chipkit PGM), es decir, con arduino IDE, necesita un programa residente de memoria; pr
Programa un Arduino usando BeagleBone, sin USB

Programa un Arduino usando BeagleBone, sin USB

si puedes ver mi guía de comunicación serial BeagleBone/Arduino, usted puede han estado esperando éste!  Si usted no ha visto todavía, vaya Lea primero porque somos 100% partiendo de ese marco.  No voy a repetir las instrucciones aquí.El objetivo fin
Programa de carga inalámbrica para Arduino sin cable USB

Programa de carga inalámbrica para Arduino sin cable USB

Programador de Arduino Wireless está diseñado para cargar el programa desde tu PC/laptop a Arduino board solo por Bluetooth.Ahora que puede actualizar el programa a las placas Arduino que incluida en la caja o estuche sin ningún gato del usb, usted n
Guía de iniciación a Arduino

Guía de iniciación a Arduino

Después de algunos años de experimentar con Arduino, he decidido que ha llegado el momento de compartir el conocimiento que he adquirido. Así aquí va, una guía de Arduino, con los fundamentos desnudos para principiantes y algunas explicaciones más av
Arduino Yun - Panel Solar, sistema de vigilancia

Arduino Yun - Panel Solar, sistema de vigilancia

En primer lugar, por favor, desnudo conmigo. Este es mi primer Instructable.En junio de 2015 tenemos nuestro sistema de panel solar de 1kW instalado. Es un sistema en la red, por lo excesivo de energía es enviar hacia la red pública. Comenzamos el pr
Combinar 1 o varios Arduinos con un RaspberryPi

Combinar 1 o varios Arduinos con un RaspberryPi

Este instructable es una demostración de la función de Control remoto de Drogon (RDC) incluida con wiringPi.Las bibliotecas de wiringPi, escritas por Gordon Henderson, añaden las funciones que le permiten al programa de la GPIO pins en RaspberryPi en
Monitor de contaminación del agua de Arduino

Monitor de contaminación del agua de Arduino

Este proyecto le permitirá crear su propio sensor de conductividad y utilizar un Arduino para recopilar datos sobre los niveles de contaminación de fuentes de agua de su comunidad. Comprensión de esta información le ayudará a entender cómo los difere
Hack-uno-lámpara o cómo controlar Arduino con tu smartphone

Hack-uno-lámpara o cómo controlar Arduino con tu smartphone

Tengo una lámpara de ikea en mi condominio, funciona bien, se gira, da vuelta apagado... que todo lo que hace. ¿Es aburrido kindy, verdad? Estaba pensando, ¿qué pasa si quiero hackear? Luego LEDs RGB vienen a mi cabeza y las ideas empezados a fluir.E
Circuito simple de fotocélula de Arduino y registro de datos

Circuito simple de fotocélula de Arduino y registro de datos

Por un tiempo ahora he estado intentando obtener datos de mi Arduino + Linksprite WiFi escudo en mi dashboard de Adafruit IO. Mis primeros intentos de algunos hay que reconocer que eran mucho más avanzados que lo que yo debo han comenzado con (una es
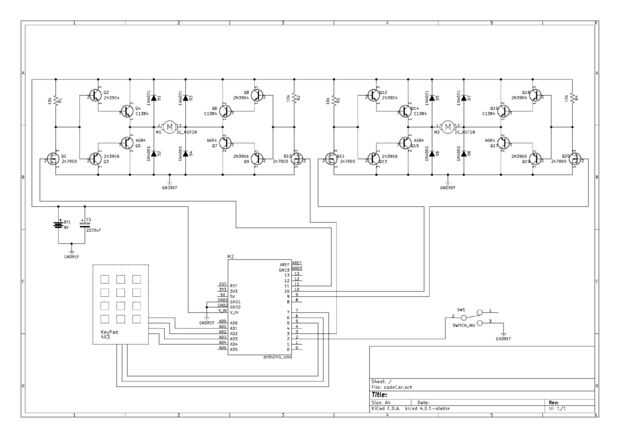
Control de Radio de coche de Arduino a través de la pantalla de la Web

Control de Radio de coche de Arduino a través de la pantalla de la Web

Este es mi primer prototipado Arduino. Me gustaría crear un objeto en movimiento que puede ser controlado vía radio. El auto consta de Kits de Tamiya y XBee.Está escrita la página web para controlar el coche con Node.js y Socket.IO.Paso 1: Arquitectu
Mini portátil de Arduino EEG - Monitor de onda cerebral +

Mini portátil de Arduino EEG - Monitor de onda cerebral +

este es otro ejemplo de la versatilidad, y de lo que, el Arduino, una pequeña pantalla LCD Color y el tipo de sensores, son capaces de hacer.NOTA:Se trata de un trabajo en progreso... Trabajaba en varias fases hasta completar a un "monitor portátil s
Flecha direccional LED de Arduino

Flecha direccional LED de Arduino

 Un montón de conductores de la bicicleta no muestran que la dirección le gire. Una manera de hacer el ambiente más seguro para el conductor de coches y bicicletas es darle un sistema de indicación a los conductores de bicicletas.  El proyecto es u
Simplificado Electric Imp a Tutorial de Arduino Due

Simplificado Electric Imp a Tutorial de Arduino Due

Introducción:Este es un tutorial básico para enviar información de la Imp eléctrico a la debida Arduino a través del UART (RX, TX) yo soy bastante nuevo en tanto así que algunas cosas que escribo puede ser incorrecta. Mayoría de la información que ob