Variable fuente de alimentación DC para <> (3 / 4 paso)

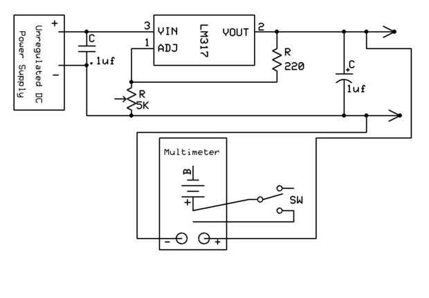
Paso 3: Agregar la lectura Digital

Añadir la lectura digital es realmente sencillo! Sólo abrir el multímetro y su salida a las puntas de prueba de la soldadura. Añadir un interruptor de la batería. Y eso es todo! Listo :D

Artículos Relacionados

Fuente de alimentación ATX para una Xbox 360 y Xbox 360 enfriamiento mod!

Fuente de alimentación ATX para una Xbox 360 y Xbox 360 enfriamiento mod!

Este es mi actualización instructable sobre cómo utilicé una fuente de alimentación de pc estándar para mi XBOX 360. Esta no es mi idea original, VI algunas maneras diferentes para hacer esto en internet pero esto es lo que hice y funcionó para mí. S
Regulador de voltaje variable - fuente de alimentación lineal filtrada

Regulador de voltaje variable - fuente de alimentación lineal filtrada

este Instructable le mostrará cómo hacer un 1.6v-6v filtrado lineal la fuente de alimentación con un LM317 para el regulador de voltaje variable y un potenciómetro 1kohm (trimmer). Puede fuente de energía desde cualquier lugar entre 7v a 14v para est
Fuente de alimentación barata para proyectos (20v)

Fuente de alimentación barata para proyectos (20v)

Se trata de una fuente de alimentación barata y fácil que puede ser utilizada para muchas cosas.Paso 1: materiales1. ordenador portátil alimentación (viejo)2. pegamento3. cinta de aislar4. cutters(optional) de alambre5. 3 clavos6. voltímetro7. tijera
Fuente de alimentación USB para un altavoz de

Fuente de alimentación USB para un altavoz de

problema:Si ves el siguiente image(second image) ves es el enchufe del altavoz pero no hay ninguna conexión para el altavoz utilizar.solución:la solución es (primera imagen) altavoz usbPaso 1: se necesita 1 cable de datos usb2 conector de altavozPaso
Fuente de alimentación variable pequeño con limitador de corriente seleccionable

Fuente de alimentación variable pequeño con limitador de corriente seleccionable

En primer lugar disculpas no publicar una completa 'instructivo' en esta compilación de mina, que es un pequeño voltaje variable fuente de alimentación, pero es mi primer proyecto y no era algo que estaba 100% seguro funcionaría incluso cuando haya t
Autorradio para estéreo hogareño con una fuente de alimentación

Autorradio para estéreo hogareño con una fuente de alimentación

voy a mostrarle cómo ejecutar una estereofonia del coche con una vieja fuente de alimentación de PC. Si estás aburrido y quieres un proyecto, o eres como yo y como hacer las cosas en lugar de salir y comprar propósito construido unos, esto es para ti
Cómo construir una fuente de alimentación para Hobby Electronics

Cómo construir una fuente de alimentación para Hobby Electronics

esta fuente de alimentación puede ser utilizada por aficionados de la electrónica.Materiales:Fuente de alimentación de PC con cableMadera MDF de 3/8"Encendido/apagado del equipo antiguo1 LED rojo1 LED verde6 zócalos de gato de plátanoTubería del enco
Cómo probar y sustituir una fuente de alimentación para el ordenador de casa

Cómo probar y sustituir una fuente de alimentación para el ordenador de casa

he creado este Instructable porque fuentes de alimentación en ordenadores no muy a menudo y pueden ser reemplazados fácilmente. He escrito este instructable para que básicamente cualquier persona que utiliza una computadora en casa puede seguir estas
Fuente de alimentación para mis herramientas sin cuerda 2

Fuente de alimentación para mis herramientas sin cuerda 2

En mi anterior instuctable sobre la fuente de alimentación (PS) para mis herramientas sin cuerda explicó cómo construir la unidad. Sin embargo, hubo un problema, PS funcionaría perfectamente manejar un taladro 18V pero le apague con sierra circular o
Tutorial de fuentes de alimentación

Tutorial de fuentes de alimentación

tutorial de fuentes de alimentación.     Este artículo fue reunido para desarrollar una fuente de alimentación para un Paia 2720 VCO.   Requisitos: 1.) bi-Polaridad Dual 9 VDC 2.) Bi-polaridad dual 5 VDC 3.) Variable 0 a 5 VDC 4.) 18 VDCPaso 1: El ci
Fuente de alimentación portátil Pequeña ultra

Fuente de alimentación portátil Pequeña ultra

Finalmente después de un tiempo muy ocupado que he terminado un nuevo proyecto hace pocos días.Por qué al infierno debe necesito estoMi laboratorio principal está en el hueco de la escalera, hay casi todo mi equipo, pero a veces specaly con arduino o
Un amplificador de audio de coche y unidad interior usando fuente de alimentación de PC cableado

Un amplificador de audio de coche y unidad interior usando fuente de alimentación de PC cableado

Orgulloso de ser el primero en instructables acerca de HUVoy a mostrarle cómo conectar un amplificador y fuente de audio en tu casa sin necesidad de una batería y un cargador.Este instructivo le permitirá conectar en las siguientes configuraciones:Am
Construir una fuente de alimentación ajustable dual con los cargadores del ordenador portátil usado

Construir una fuente de alimentación ajustable dual con los cargadores del ordenador portátil usado

Los últimos años he estado enfocando en proyectos de Arduino en un enchufe de pared USB con salida de 5V es casi la única potencia de la fuente que necesitaba. Cuando empezamos un proyecto hace unos meses para generar ondas de audio con un Arduino ne
Cómo hackear una fuente de alimentación atx de ordenador

Cómo hackear una fuente de alimentación atx de ordenador

Hola a todos, este es mi primer instructivo y es sobre cómo hackear una fuente de alimentación ATX ordenador y luego ponerlo en un buen caso poco así que está listo para usar. He hecho varias de ellas antes y decidió hacer un instructable sobre él. V