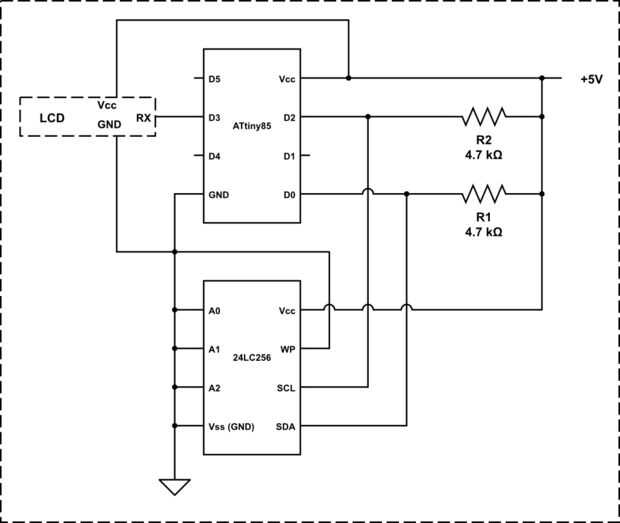
Utilice ATtiny85 con I2C EEPROM

esto es una configuración simple para usar una EEPROM I2C con el ATtiny85. Hay muchos sitios que el uso de eeprom I2C, pero hay algunos matices cuando se utiliza un ATtiny85 que surgen debido a la falta de verdadera I2C. Que han recopilado aquí y pienso que puede ser útiles a alguien más tratando de hacer esto.

Aquí está el artículo completo: http://0xfebytes.blogspot.com/2013/03/use-attiny85-with-i2c-eeprom.html

Etiquetas: Eeprom, Attiny86

Artículos Relacionados

Humedad del suelo capacitiva medir (con I2C)

Humedad del suelo capacitiva medir (con I2C)

Mucho se ha escrito sobre cómo medir la humedad del suelo y especialmente en lo que sensor usar.Con la medición de la resistencia simple el mayor problema es la corrosión del sensor, no sólo porque es en contacto con el suelo, sino también porque hay
Cómo programar ATtiny85 con la placa de Arduino uno

Cómo programar ATtiny85 con la placa de Arduino uno

En este tutorial vamos a utilizar una placa de Arduino como programador ATtiny.Para ello vamos a utilizar una tarjeta Arduino UNO como un ISP (programador) y un micro-controlador de ATtiny85.Vamos a utilizar Codebender - IDE de Arduino en línea.Con e
Conexión de dos OOBoards con I2C

Conexión de dos OOBoards con I2C

este instructable cubre cómo conectar dos OOBoards con I2C.Paso 1: Conectar al bus I2C de red Hay dos buses I2C en el OOBoards, un autobús y un autobús de la red.El código OOPIC es esencialmente una interpretaciónlenguaje, es decir, el "código"
Añadir I2C EEPROM a Arduino

Añadir I2C EEPROM a Arduino

adjuntando un EEPROM para el Arduino es bastante sencillo y la forma más sencilla de hacerlo es a través del bus I2C. EEPROMs vienen en muchas formas pero la 24 LS256 o 24LC256 es una buena opción ya que es fácil de usar y bastante baratos (85 céntim
Cómo programa ATtiny85 con Arduino UNO

Cómo programa ATtiny85 con Arduino UNO

Cómo programar Attiny85 con Arduino UNO de manera más fácilPaso Tutorial paso, con ninguna medida para saltar por PCB impresionante.Paso 1 - ¿qué necesitamos?Paso 2 - placa de Arduino conecta con ArduShield y ATtiny85Paso 3 - configuración IDE de Ard
Programación 'AtTiny85' con el 'pequeño programador de AVR' y suplido 'Arduino IDE'

Programación 'AtTiny85' con el 'pequeño programador de AVR' y suplido 'Arduino IDE'

Con pasador de 8 pequeños de Atmel AtTiny85 microcontrolador como un independiente es una gran alternativa al más grande pin 28 AtMega328 montada en una placa Arduino Uno. He cambiado de uno a otro por diversos medios, pero lo que me pareció más fáci
¿Cómo programar ATtiny85 con frambuesa Pi?

¿Cómo programar ATtiny85 con frambuesa Pi?

Hace mucho tiempo escribí "Cómo programar ATtiny85 con puerto paralelo", pero es puerto paraleloAsí que decidí hacer un nuevo tutorital!Te hace falta:-Pi(any) frambuesa-Algunos cables de puente (pins al protoboard)-uno de los pines gpio (opciona
Analizador de espectro ATtiny85 con fix_FFT

Analizador de espectro ATtiny85 con fix_FFT

ATtiny85 analizador de espectro para la música a LED RGB con FFTEntusiasmado con el nuevo descubrimiento de la biblioteca FHT. Realmente definitivamente tuyo quiere darle una oportunidad en un ATtiny85. Después de horas masajeando el código para hace
Cómo programa un ATtiny85 con um Arduino - Como programar ATtiny85 usando Arduino

Cómo programa un ATtiny85 con um Arduino - Como programar ATtiny85 usando Arduino

¿Cómo a easly encogimiento proyectos simples?¿Como diminuir seus projetos mais simples?ATtiny85 es un fácil de usar, barato y pequeño microcontrolador (8 patas). Usted puede programar con cualquier Arduino y puede utilizar el IDE de Arduino sí mismo
Termostato de Arduino con i2c x DS18b20 2 pantalla de 4 x 16, 2 RGB LED y 3 relé

Termostato de Arduino con i2c x DS18b20 2 pantalla de 4 x 16, 2 RGB LED y 3 relé

el objetivo del proyecto es un termostato para mi pecera 2 con LCD pantalla RGB LED un relé para controlar el calentador en el tanqueun ventilador para la pecera grandePartes:Arduino Nano o igual2 x LED RGB LED o SMD RGB o solo Color de LEDMódulo de
Distanciómetro ultrasónico con un ATtiny85 (con escudo)

Distanciómetro ultrasónico con un ATtiny85 (con escudo)

Estoy aquí para mostrarle cómo usar un telémetro de ultrasonidos HC-SR04 un ATtiny85 como programar ATtiny85 usar que el maravilloso escudo randofo creado.Lista de materiales:Biblioteca de programación ATtiny85Arduino UnoTelémetro ultrasónico HC-SR04
RGB - Led tira 12 V controlado por un ATtiny85 con un módulo RFID de 125Khz

RGB - Led tira 12 V controlado por un ATtiny85 con un módulo RFID de 125Khz

La idea básica me dio este lado RGB-RFID-lámpara. Pero ya que tengo mucho ATtiny85 utilizo este microcontrolador. Para hacerlo más fácil para mí, he probado todo parte primero en un Arduino Uno.Material:1 x RGB-tira de Led 12 V1 x ATtiny853 x MOSFET
Conectar Arduino a Crystalfontz CFA533 con I2C

Conectar Arduino a Crystalfontz CFA533 con I2C

Hemos estado trabajando con pantallas de LCD, durante mucho tiempo así que hemos pensado que nos mostraría cómo enganchar encima de un CFA533 I2C LCD con un teclado de un Arduino. Que le da la capacidad de la salida y controlar tu arduino via I2C.Pas
Serial I2C compatible con HD44780 LCD para ATTINY85

Serial I2C compatible con HD44780 LCD para ATTINY85

Este instructable le mostrará cómo usar un módulo LCD y I2C para mostrar los datos de un ATTINY85. La intención del esquema sobre ella para mostrar la conexión necesaria para mostrar los datos. Tenga en cuenta que se necesitan resistencias de pull-up