Paso 1: Esquema Simple


Descripción del circuito
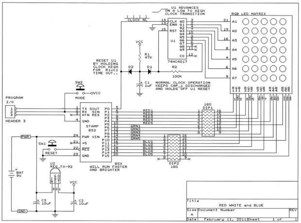
Se trata de un microcontrolador sello de funcionamiento un 5_column por 7_row por 3_LED_per_cell matriz RGB pantalla. El sello usa un programa básico simple correr lo suficientemente rápido para multiplexar verde rojo y azul LEDs individuales para crear imágenes de color en el área de pantalla de 5 x 7. Un 74HC4017 IC_U1 está registrado por línea P0 (pin5) de la estampilla para multiplexar secuencialmente las siete filas. U1 es conectado al auto reset en cada pulso de reloj aumento 8. U1 también pueden verse obligadas a restablecer sincronización manteniendo la línea de reloj alta durante un tiempo.
Lista de piezas
BS2 Stamp de paralaje.
U1 un 16pin 74HC4017 IC
U2 realmente un MC7805 un regulador de 5V TO-220
D1 y D2 diodos de señal
R1 en realidad una resistencia de 33K
Resistor de 100K R2
DIP1 y 2 realmente resistencias de 100 ohm
Matriz de LED RGB
SW1 y 2 pulsadores momentáneos
WIRE-wrap IC sockets Jameco
Ver el apoyo de bolsillo de camisa de plástico fino para usar la pantalla final del MJT.