Paso 4: Tiempo para probar nuestro circuito.








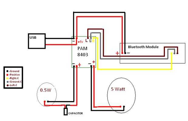
Aquí es un poco esquemática preparé para todos vosotros!
Que es siempre buena para comprobar si todos los componentes funcionan
Antes de todo fijar en la caja de cartón es mejor a este circuito de prueba hacia fuera!
Aquí es una pequeña explicación:
El Pam8403 tiene 2 entradas y 2 salidas o
Las entradas son-1) el poder de 5v de entrada!
2) entrada de Audio!
Las salidas son-1) salida de altavoz a la izquierda
2) salida de altavoz derecha
El módulo de Bluetooth tiene 1 entrada y 1 salida.
La entrada es por el poder y la salida es la salida de Audio
La entrada de energía desde el módulo de Bluetooth y el Pam8403 ir al el Usb Cable a través de la que reciben la diferencia potencial de 5 Volts(USB) de la soldadura en la polaridad correcta
El Audio en el Pam8403 se va el audio del módulo Bluetooth!
el módulo Bluetooth es básicamente un controlador de Audio para nuestro amplificador.
L-izquierda canal
G-tierra
Canal R-derecho
Ahora las salidas de la Pam 8403 (salidas de altavoces) van directamente a los altavoces.
Pero en el positivo alambre de la 0,5 watt altavoz un condensador es conectado para que el Audio no será falseada en el 5 vatios altavoz!