

La razón para usar el Zoom H4N era porque tenía una gran impedancia de entrada (2MOhm) en los jacks de 1/4". Esto significa que puede recoger incluso una señal de muy baja potencia... 1/4" entradas de Zoom son ligeros y hábil como una hoja de papel, mientras que entradas más grabadores son más como un tablón de madera.
El problema es la grabadora Zoom es costoso: varios cientos de Euros o dólares a menos y no tan fácil de encontrar en tiendas.
Por otro lado, 100 Euros obtendrá un muy funcional 44kHz/16 bits grabadora PCM WAV, apenas alrededor dondequiera.
¿Cómo puede usted hacer eso grabadora PCM WAV de 44/16 ligero y hábil como el Zoom?
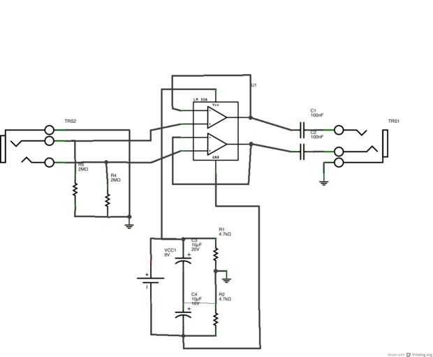
Hacer un buffer. Un buffer es simplemente un amplificador que no amplifica: utiliza un chip amplificador (que tiene entradas de muy alta impedancia) y dejar de lado algunas partes que indiquemos para amplificar la señal. Puesto que la señal pasa por el chip amplificador sin embargo, la grabadora de baja impedancia 'tablón de madera' no es conseguir empujada por la señal de EMG frágil ya. Es conseguir empujado por la etapa fuerte de la salida de la viruta del amplificador.
(El chip no necesita amplificación porque la grabadora ya está diseñada para captar señales de baja tensión. De hecho, tuve que agregar algunas resistencias a la salida para reducir el nivel de señal en mi grabadora. Los aquí para la simplicidad dejé, pero no es difícil. Ver un "divisor de tensión" Si desea probarlo. Asegúrese de utilizar resistencias de valor bastante bajo--entre 100 y 1000 ohms probablemente--por lo que el amplificador aún puede conducir la etapa de entrada de la grabadora sea su impedancia.)
El chip amplificador que utiliza para esto es el LM358, un chip muy barato puede conseguir en cualquier lugar. No es perfecto, así que si usted acerca realmente cerca en una alta frecuencia de señal usted verá "sonando" y "adelantar", pero eso no importa demasiado para nuestros propósitos. Y sonando y llega más allá pueden incluso ayudarle a analizar una señal de que es demasiado rápida para que la grabadora capturar lo contrario - el timbre es el peor, fue el más rápido de la señal!
Aparte de la viruta, necesitarás dos resistencias de 4,7 K, dos resistencias de ohm de 2 M (puede hacer una resistencia de 2 M ohm por poner dos resistencias de 1 M ohm contiguas), algunos capacitores, un clip de batería de 9V y algunos conectores de audio. También necesitarás algunos circuitos prototipos--obtener el tipo con los buñuelos poco cobre alrededor de cada agujero, no es la clase con las tiras.
(En vez de jacks de audio, se puede obtener un cable de extensión de auriculares--la clase con un jack y un plug--y cortar por la mitad. La soldadura de los cables de la toma de la mitad a la Junta donde el conector de entrada sería ir y soldar los cables del enchufe del medio donde se toma la salida iría. Esto significa que usted no tiene que meterse de enchufar y desenchufar el otro cable desde el búfer de la grabadora.
Mejor aún es si pones a SMA o MCX tapones en el final de RG-174 del cable de los electrodos y luego de la soldadura de pequeños tramos de RG-174 con conectores SMA o MCX a ellos a la Junta.)
Probablemente también querrá algún tipo de recinto o caja de metal para el búfer, y querrá volver a conectar un cable desde la caja 'suelo' en el circuito. (Sugiero la tierra en el conector de entrada). Esto puede ser cualquier cosa, envuelta la Junta en papel de cera y cubiertas en papel adhesivo, con un cable de la envoltura terrestre. La idea es mantener la interferencia de radio y cosas como eso del circuito: el punto es que es sensible.
Aquí está el esquema, así como una forma de organizar las piezas en el tablero y cableado para arriba.