Paso 2: esquemático


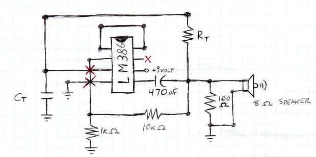
El LM386 tiene una resistencia de retroalimentación (1350 K ohmios) para tener en cuenta la probabilidad de que se utilice una batería para sus proyectos. Conectando el Pin 1 y 8 juntos, están pasando por alto esta resistencia.
PIN 7 no conecta en cualquier lugar.
PIN 6 se conecta a la batería de 9 voltios.
Pin 4 se conecta a la tierra
Como se ve en la primera foto, la x roja indica que no hay conexión. No conectar el Pin 2 y 3, y no conectar el Pin 2 y 4. El resto debe ser bastante directo.
La segunda imagen es un esquema anterior. Es lo mismo, pero tiene algunas notas más. Rt y Ct indican que estos componentes pueden variar. Cambiando estos componentes puede afectar la frecuencia generada.
Una ecuación simple (o eso he oído) para determinar la frecuencia en Hertz es (2,5) / (Rt * Ct). RT será entre 10.000 y 100.000 Ohms.
Si R3 (100 Ohm) es excluido o eliminado, usted conseguirá un chillido ruidoso así que trate de evitar que.