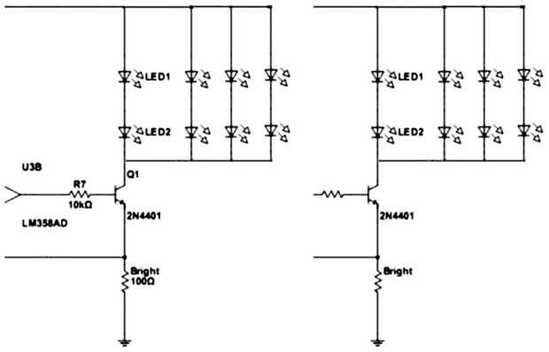
Paso 5: Agregar más luces (y las matemáticas)

Cada 2N4401 (o BC337) puede manejar hasta 8 'cuerdas' - pero usted tendrá que asegurarse de que cada cadena se compone de LEDs idéntica como la primera cadena - a continuación, ajuste brillante R a 100 n, donde n es el número de cuerdas, conectadas en paralelo. El valor de R debe ser 100 * R-brillante.
Si usted tiene un sistema de 9v, entonces comience con (v-2) * 0.9 = 6,3; Que significa que podemos tener 2 blancos o rojos de 3, y si tenemos 4 cadenas de esto, entonces R brillante sería 100/4 o 25 ohmios. Que puedes hacer 22 ohmios, y R 22 * 100, o 2.2 k. Nota: Puede tener hasta 8 cuerdas solamente con los 2 transistores especificados. Mientras que los dispositivos de alta potencia como la voluntad de la punta de la serie trabajan, no tienen la ganancia para los LED totalmente. Si desea usar el 2N2222, 2N3906 o transistores audio similares, limitar las cuerdas a 4 o menos.
Una expansión final es duplicar el escenario entero, a partir de R, R-brillante y el controlador Transistor junto con el arreglo del mismo LED. Conectar como la etapa anterior, excepto, no conecte R-brillante a la entrada del amplificador operacional. Sigue siendo necesaria pero solamente para hacer la carga idéntica a la primera etapa. Esta manera, usted puede tener hasta 5 etapas en total.
Y, si no lo has hecho todavía, la próxima generación de la Musicator! Por favor vote si quiere ver más de lo mismo.