Un Simple Cargador Solar de hidruro metálico de níquel y las pilas alcalinas AA (1 / 6 paso)

Paso 1: El circuito

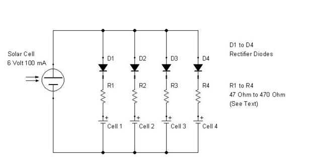
Arriba se muestra el diagrama del circuito. Tenemos cuatro células del AA y cada célula está conectada a 6 voltios 100mA célula solar terminal positivo a través de un diodo resistencia y el rectificador. Los valores de resistencia depende de las circunstancias--470 Ohm es un buen comienzo ronda todos particularmente para célula alcalina del AA recarga experimentos. Sin embargo recarga de hidruro metálico de níquel puede ser más rápida con un valor inferior, incluso tan bajo como 47 Ohm especialmente en el invierno con baja luz general niveles.

Los diodos son vitales para aislar una célula de otra y para prevenir la carga que se escapa a través de la célula solar cuando en la oscuridad.

Artículos Relacionados

Simple elegante Paracord correa fijar metálicos

Simple elegante Paracord correa fijar metálicos

la venda de reloj de goma de mi amado reloj Timex Ironman Datalink USB se rompió después de la exposición de un par de años a los elementos.  Lamentablemente, estos relojes utilizar bandas almenadas contornos personalizados (foto 4), por lo que no pu
Cargador Solar portable del USB

Cargador Solar portable del USB

Cargadores USB portátiles son muy útiles para aventuras al aire libre, festivales, viajar, o si usted está hacia fuera y sobre todo el día. Adición de un panel solar proporciona una fuente adicional de energía móvil utilizable casi por todas partes.E
Convertir una tarjeta de juego en un cargador solar de baterías AA

Convertir una tarjeta de juego en un cargador solar de baterías AA

propias cargas de baterías recargables de NiMH AA y AAA, pero casi siempre parecen muertos cuando los necesito.  Por lo tanto, quería una manera barata y rápida para hacer cargadores de baterías que puede guardar en mi escritorio, para que yo pudiera
Cargador solar

Cargador solar

Hola,En esta guía paso a paso que voy a enseñarte a diseñar y construir un simple cargador solar.Lo que necesitarás:1) panel Solar.2) módulo del cargador convertidor de refuerzo ajustable.3) cables eléctricos.4) cable hembra del USB.5) una caja.6) re
Cómo hacer un cargador Solar USB! (simple).

Cómo hacer un cargador Solar USB! (simple).

Gracias por todos los chicos de views! Si quieres leer mi carta de noticias haga clic aquí¡ Bienvenido! Voy a mostrar cómo hacer un cargador solar usb que pone acerca de 6v y es perfecto para cargar anthing que usa USB. Esto es perfecto para alguien
Simple, barato MP3 Reproductor Cargador Solar

Simple, barato MP3 Reproductor Cargador Solar

no se olvide de comprobar hacia fuera mi blog!Este es un tutorial muy sencillo sobre cómo hacer un cargador solar para tu reproductor de MP3. Esto no funciona con un iPod touch (el iPod lo ignora, no es un producto de apple), pero debe trabajar con l
Heavy Duty de litio Cargador Solar USB 2.0

Heavy Duty de litio Cargador Solar USB 2.0

A veces necesita un montón de energía solar para tus gadgets va. Más teléfonos, tablets y gadgets significan que están más hambrientos de poder. Cuando normales cargadores solares DIY fallarán, necesita recurrir a una solución de servicio pesado.En e
Beach Buddy: Cargador Solar 3 en 1, Boombox y quemadura temporizador calculadora

Beach Buddy: Cargador Solar 3 en 1, Boombox y quemadura temporizador calculadora

Imaginar el viaje de playa ideal. El sol brilla, el cielo está azul, el agua está caliente y la humedad es baja. Tú y tus amigos tienen todo lo necesario para tomar el sol, arena y surf: una nevera llena de bebidas y aperitivos, protector solar, chan
Cargador solar de pilas AA (NiMH)

Cargador solar de pilas AA (NiMH)

saludos! Tengo la idea de esto cuando tuve algunas pequeñas células solares de un catálogo. Yo había notado que la mayoría cargadores de pilas Energizer NiMH (níquel Metal hidruro) producción aproximadamente 3 voltios. Las células eran un volt cada u
Cargador solar USB 2.0

Cargador solar USB 2.0

La energía solar es grande en estos días, de las centrales eléctricas a las matrices en la azotea! Esta guía muestra cómo construir tu propio cargador solar para la electrónica pequeña. Este cargador cargará más pequeños dispositivos USB como teléfon
¿Cargador solar para teléfonos de cinco minutos

¿Cargador solar para teléfonos de cinco minutos

necesita cargar su teléfono?  ¿No tienen nada pero una pinza para la ropa y algunas ensambladuras del P-N?  No tengas miedo!  La energía (solar) está en sus manos!Paso 1: La Gran Idea ¿Cuál es el plan, stan?Bueno, vamos a hacer un panel solar desde c
Solar 7-up: Cargador Solar para teléfonos en una botella

Solar 7-up: Cargador Solar para teléfonos en una botella

mensaje en una botella.  Genie en una botella.  La nave en una botella.Cargador solar para teléfonos en una botella.Ha llegado el momento.  Tomar un peppy bebidas de su elección, o ahogar sus penas drenando una botella de Johnnie, hacer todo lo neces
¿A objetos metálicos

¿A objetos metálicos

objetos metálicos inhiben su capacidad de soldar ya que todo el calor lejos del punto de dibujan... bueno... de soldadura? Normalmente o bien tendrías que dejar el soldador en la pieza de metal lo suficientemente largo para calentar la cosa entera ha
Boombox/Cargador Solar portátil

Boombox/Cargador Solar portátil

Hola,así que este es mi primer instructable, algún consejo para hacer las cosas más claras o fijación de estas instrucciones es bienvenido. Estudio ingeniería industrial y no estoy demasiado profundo en electrónica pero intentó mi mejor. Si tiene alg