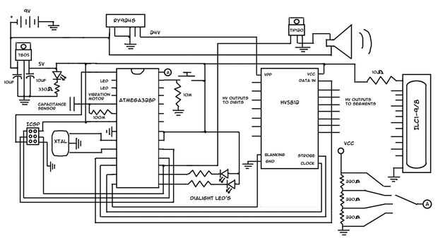
Paso 14: El circuito

También hay al menos dos cosas que cambiaría. Una es utilizar un LM386 o similar como un amplificador del altavoz. La otra y más importante, sería utilizar un convertidor de corriente de impulso por encargo en lugar de 24v DC-DC. Usted puede construir uno con tan poco como un diodo de conmutación rápido y un inductor--especialmente si utilizas el microordenador sí mismo como el generador de impulsos.