Paso 3: Cómo funciona


El tripwire se divide en 2 partes. la parte que detecta la luz y envía el pulso y el "interruptor" que se activa el zumbador y la mantenga. La razón por la que tengo "interruptor entre comillas es porque algo no es como un balancín o interruptor que cambia la dirección o permitir que la actual para pasar. Este interruptor simplemente mantiene corriente que fluye a través de él cuando se encuentra con un solo pulso. La única manera de apagarla es desconectarlo de la energía.
La primera imagen muestra el Detector de luz. Cuando la luz (o un láser) brilla sobre el fotoresistor el fotorresistor permite actual pasar. Puesto que queremos que envíe un pulso cuando no hay luz (o cuando el rayo láser se rompe) corremos un inversor o puerta no. Esto hace que cuando la luz está brillando no hay ninguna salida de corriente, pero cuando no hay luz no hay corriente que fluye a través de la salida.
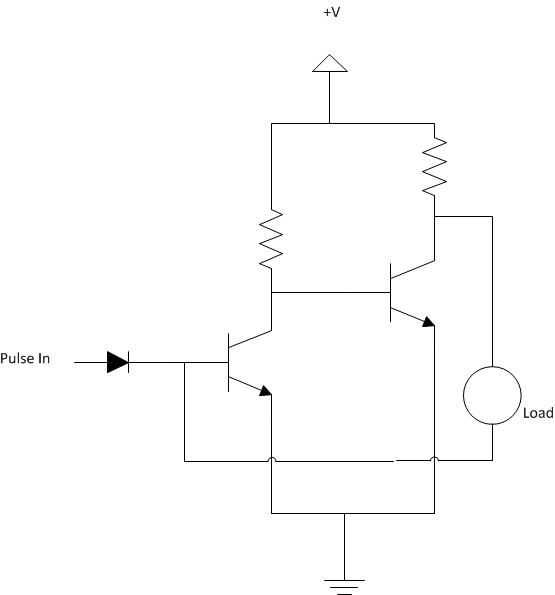
La segunda imagen muestra el interruptor. Esto es simplemente un arreglo de 2 puertas no. Cuando viene la energía en la primera puerta se detiene actual va a la segunda puerta. la falta de energía provoca entonces la segunda puerta permitir que la energía fluya a través de la carga (zumbador LED ect.) y entonces actúa como un segundo impulso en la primera puerta. Esto hace que el ciclo a empezar todo otra vez manteniendo el circuito.