Paso 6: (E) Hardware





1, esquemas:
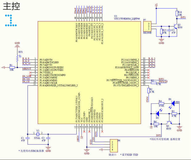
Descripción: Bloque de función: MCU, lámparas de LED, módulo Bluetooth, reloj y temperatura sensores, control de motores, espectro de frecuencias.
[Figura 1]
==========================
2, PCB:
Descripción: El modelo 3D con PROE convertir plano 2D de CAD archivos AD en los bordes de la placa y perforaciones.
[Figura 2]
==========================