Paso 3: final







Todos los pasos antes fueron probados en un protoboard. Ahora tenía que construir algo "productivo".
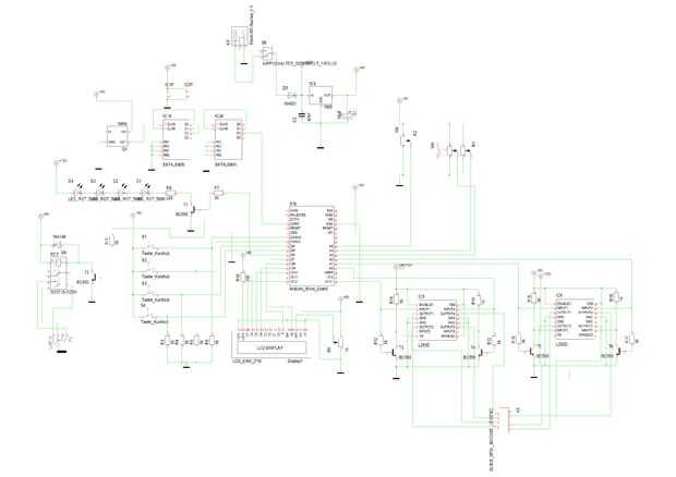
Para el desarrollo de la placa de circuito he utilizado blanco 3001! luz (archivo adjunto).
Y luego hice la compilación antigua circuitos: imprimir en hoja de acetato, exposición, desarrollo y grabado con ammoniumpersulfat.
Las pistas para el paso a paso fueron recubiertos de estaño debido a la corriente para los motores PAP. También pegué heatskins en el controlador paso a paso. También duplica el protección diodo (1N4007) porque necesita de todo el circuito una corriente de 1.2A.
Para poder utilizar un 12V 6.2Ah batería de plomo sellada.
Por fin lo pongo todo en un estuche de aluminio con ventana de acrílico (no poseo ninguna impresora 3D). Es un sideeffect agradable de la luz de las antorchas, que los interruptores son claramente visibles en la noche.
Adjunto es mi código fuente (con palabras de alemán, ya sé) y el blanco 3001! archivo.