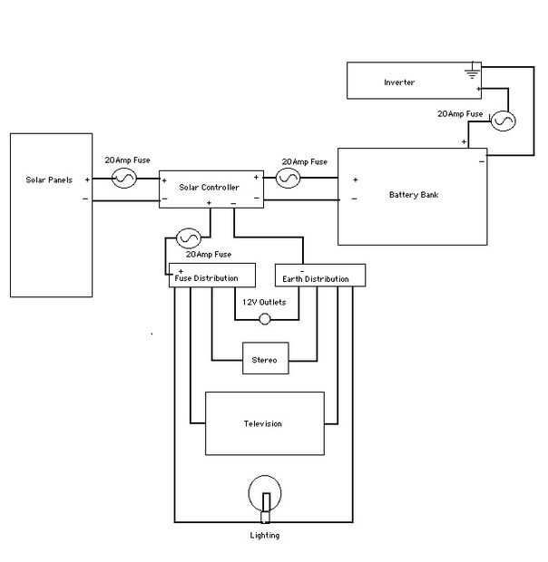
Paso 3: Llenar el área de almacenamiento


Como este sistema siempre dentro, quería las baterías tipo AGM como son menos de un peligro para la seguridad de las baterías de coche estándar. También instalé cuatro orificios en la parte posterior para la circulación de aire así como la adición de un ventilador ordenador iluminado.
Estaba usando el inversor (que está sentado en lo alto del subwoofer) para alimentar el sistema de audio hasta que me topé con algunos altavoces de ordenador de sobremesa que pueden ser alimentados directamente de las baterías.
También tengo algunos 12V LED downlights que toman energía del sistema también.