Tienda de Snoezel (estimulación sensorial) (1 / 8 paso)

Paso 1: Lo que usted necesitará:

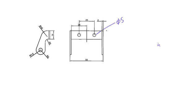
  • Materiales:

    • 13,6 metros de tubos de acero cuadrados (hemos utilizado tubos de 2cmx2cm con un espesor de 2 mm)
      (se dan las medidas exactas en el plano)
    • lona de 2 m x 2 m (utilizado en los carros)
    • 6 bisagras (las usé eran por encargo para este proyecto, se compone de 2 piezas, explicadas en el dibujo. Puede usar otras bisagras como usted puede montar en los tubos y es posible separar ambas mitades de la bisagra. Así también se adaptan las bisagras de puerta)
    • 24 tornillo de 6 puntos para fijar las bisagras
    • 10 pernos y tuercas (utilizamos M5 como nuestras bisagras tienen agujeros de 5mm, si utiliza bisagras de puerta, no necesitarás esto)
    • 2 tornillos largos (para poner en la bisagra que tiene que ser desmontable. Una vez más, si utiliza bisagras de puerta, no necesitarás esto)
    • 6 protectores de piso que caben en los tubos de 2 x 2 cm
    • Pintura para dar el marco de un bonito color
  • Herramientas:
    • Máquina de perforación
    • Estación de soldadura
    • Sierra de metal
    • Regla
    • Tijeras
    • Máquina de coser
    • Prensatelas para la máquina de coser
    • Hilo de coser

Artículos Relacionados

Elementos sensoriales

Elementos sensoriales

Este instructable muestra algunas ideas para hacer elementos sensoriales en 'snoezelen'. Se puede utilizar en combinación con el (tienda sensorial).Como los elementos sensoriales son por encargo para una persona profundamente mental desactivar, los e
Instalar estero de automovil con 110 v

Instalar estero de automovil con 110 v

Instalacion estero de automovil con 110 vPaso 1: De Adaptador de corriente 110v a 12 v Patato los antiguos televisores convencionales tienen un transformador de energia te puede servir, consulta con un tecnico o compralo en una tienda.Paso 2: Sensory
Bloques de espuma bebé

Bloques de espuma bebé

hace ocho años, un decorador de interiores me dio varios libros de muestras de la tela anticuado. Soy docente de escuela primaria y han utilizado estas pequeñas piezas de tela con los niños para hacer agarraderas cada año. Pero todavía tengo montones
En el depósito de sensorial de mar con perlas de agua

En el depósito de sensorial de mar con perlas de agua

lo que usted necesita:Paquete de perlas de aguaAguaCubo de plásticoJuguetes de plástico juegoGranos del agua son los niños de las actividades sensoriales. Son húmedas, todavía sólida, fría y blandita. ** Mientras que granos del agua son seguros al ta
Estimulación vía

Estimulación vía

paso v. i. [imp. & p. p. {personalizado} p. PR. y VB. n. {estimulación}]1. para ir; a caminar; en concreto, con regular opasos medidos.2. a caminar arriba y abajo nerviosamente, en cuanto a gastar energía nerviosa.Descripción:Estas son las instruccio
Cómo construir un verdadero trabajo "Cerebro Ray" (Demo de estimulación magnética transcraneal)

Cómo construir un verdadero trabajo "Cerebro Ray" (Demo de estimulación magnética transcraneal)

la estimulación magnética transcraneal es un método para estimular el tejido cerebral, y en los últimos años ha habido mucha investigación sobre este método como un reemplazo para la terapia electroconvulsiva (Shock) combatir los trastornos mentales
Gel bolsa sensorial para niños

Gel bolsa sensorial para niños

bolsas sensoriales son una gran manera para los más pequeños expandir su sentido del tacto, la creatividad y la aventura y son muy fáciles de hacer-las posibilidades son infinitas.Paso 1: fuentes de 1. gel para el cabello (yo tengo la mía desde el al
Compatible con mano protésica con Control sensoriomotor y la retroalimentación sensorial para amputados de la extremidad superior

Compatible con mano protésica con Control sensoriomotor y la retroalimentación sensorial para amputados de la extremidad superior

El objetivo principal de este proyecto es proporcionar una mano protésica altamente funcional y de bajo costo para personas con amputaciones por debajo del codoAunque se han desarrollado muchos dispositivos prostéticos de vanguardia, todavía se convi
Tienda de fotografía caja de luz

Tienda de fotografía caja de luz

Si usted es un fotógrafo entusiasta, probablemente tieneprobado par de técnicas de rayos antes. Una de las herramientas más comunes que usan los fotógrafos de producto es la tienda de fotografía que vamos a hacer en este proyecto.Para el diseño 2D va
Tienda de segunda mano Vestido de rediseño ~ vestido patchwork DIY

Tienda de segunda mano Vestido de rediseño ~ vestido patchwork DIY

¡ Hola!Este es mi primer Instructable, espero que te guste!:)Paso 1: Se necesita Se necesita:~ vestido thrifted. Elegí el blanco porque es una pizarra en blanco perfecta.~ un montón de diferentes tejidos. escogerlos es un divertido parte! Usted puede
Tienda de bricolaje cat

Tienda de bricolaje cat

Seguí viendo fotos de tiendas de gato en Pinterest y compartirse en Facebook, pero ninguno de ellos tenía instrucciones de buena! Decidí hacer una tienda cat de Luna y documentarlo para chicos podría hacer uno también. : DEste gato es super fácil de
Rediseñado el vestido de la tienda de segunda mano

Rediseñado el vestido de la tienda de segunda mano

Mi hermana, madre y me encanta ir de compras de segunda mano. Nos encanta mirar para cosas viejas podemos rediseñar, ropa con patrones impresionantes, o cosas que podemos arreglar. Se trata de un vestido que hice de un gran vestido que encontré. Resu
Detección de pulgar indestructible tienda Stein

Detección de pulgar indestructible tienda Stein

90% impresionante. 99% si el borde biselado y limpiar el aceite hidráulico antes de su uso, sissy.Paso 1: Git manos mugriento en un filtro usado. Este es de un monstruoso viejo pedazo de equipo que se ejecuta en las lágrimas de los huérfanos. (tienda
El último portátil hogar/tienda Bluetooth altavoz

El último portátil hogar/tienda Bluetooth altavoz

Esta es mi participación en el concurso de la madera contrachapada, Dame un pulgar y voten por mi para... Gracias :)EDIT: HE AÑADIDO LOS ARCHIVOS DE DXF PARA AQUELLOS QUE HAN PEDIDOResumen:Hace unos meses un amigo trajo un altavoz Bose Bluetooth a un