Paso 1: creación de prototipos



LISTA DE PIEZAS
• 11 x diodo LED
• 11 x resistencia 470 ohm, 0, 25W
• PoKeys56U microcontrolador
• Módulo de PoSensors
• Convertidor AC/DC con conector USB o
• Batería al paquete de emergencia USB
• La carcasa adecuada
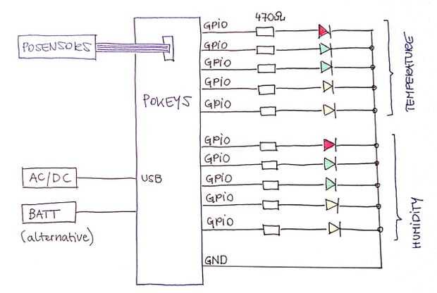
ESQUEMA
Esquema muestra cómo conectar los elementos electrónicos con PoKeys. PoSensors están conectados al conector dedicado PoKeys utilizando cable plano que viene con el módulo PoSensors. GPIOs (General propósito entradas / salidas) están configurados como salidas. La señal viaja a través de la resistencia de 470R y LEDs estándar hacia tierra (conector PoKeys). La fuente de alimentación puede hacerse ya sea sobre el convertidor AC/DC (en ese caso se necesita un adaptador de 5V con conector USB y conecte a la energía en casa enchufe 110/220 Vac) o sobre un paquete de batería de emergencia con conexión USB.
PROTOBOARD
Conectar los elementos en la protoboard para probar si todo funciona. Utilice el esquema adjunto. PoKeys está disponible con o sin terminales. De prototipos no usé ninguna versión de terminales con conectores de avance. He conectado el PoKeys y el protoboard usando conectores de dupont. La Junta de PoSensors se une a PoKeys con cable plano suministrado.
MEDIDAS y cálculos
Electrónicamente, las conexiones son bastante simples. GPIO (general propósito de entrada / salida) está programada como salida y da voltaje de 3.3V. Había medido la caída de tensión sobre el resistor de 470 ohm que era 1.3V. Ley de ohms nos da un corriente de LED de 2, 76mA. Contamos con 12 LEDs que 33mA totales, que es muy por debajo el valor límite de dispositivo PoKeys (100mA), así que debería funcionar bien.
Cada vez que use un resistor, usted debe comprobar si defienden el poder que llevan. He utilizado las resistencias de 25W, 0. Si calculo la potencia (UxI = 1.3V x 2, 76mA) me sale 0, 0036W que también está muy por debajo de los límites.