Temporizador de huevos para los niños! (3 / 5 paso)

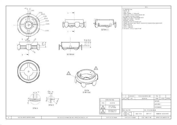
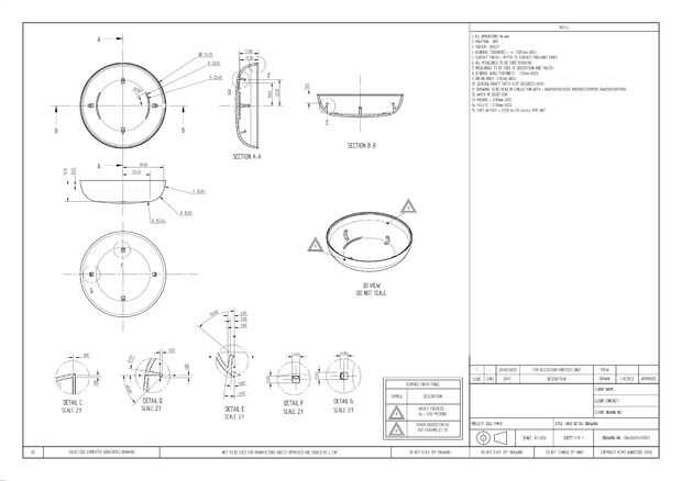
Paso 3: CAD sigue el dibujo

Hubo mucho tiempo dedicado a diseñar y armar este pequeño individuo! Gracias a los cielos por CAD

Artículos Relacionados

Receta de postre fácil huevo crudo - acogedor para los niños

Receta de postre fácil huevo crudo - acogedor para los niños

Disfrute de algunas deliciosas y saludables Pascua chocolate y crema huevos crudos utilizando bolas de crudo fecha. Es super deliciosa y alta en fibras y acogedor para los niños. Hacer que estos con sus hijos y va a encantar :-)
Para los más pequeños (papas y huevos)

Para los más pequeños (papas y huevos)

Aqui les dejo algo muy sencillo de hacer para los chiquitos de la casa, super rapido y facil con ingredientes nunca faltan en nuestro hogar.Ingredientes3 huevos--> (huevos)2 papas--> (patata)cebolla ½--> (cebolla) opcional2 cucharaditas Sal-->
¿Un huevo para una mascota de aula?

¿Un huevo para una mascota de aula?

Bueno, por supuesto tu no va a tener un "huevo" para una mascota de aula. Pero tal vez un pollito bebé! Cuidar a un pollito requiere amor y compasión así que asegúrese de que su lista.Paso 1:Paso 2: Primero vas a necesitar un lugar para poner lo
Otra forma de preparar huevos para la ensalada de huevo!

Otra forma de preparar huevos para la ensalada de huevo!

Esta es parte de sugerencia instructable, parte, parte (esperemos) catalizador para la discusión.Como alguien que ha pagado las cuotas a los dioses que insisten en mantener viva la tarea de huevo duro pelado, un pensamiento vino a la mente una mañana
Una casa para los sapos

Una casa para los sapos

hace 2 años, un pájaro cayó un sapo hembra lleno de huevos volando sobre el patio de mi casa.El verano pasado dos fueron lluvias y mi viejo perro (casi 17) proporcionó la misteriosa materia oscura que mantiene las moscas cerca por lo que el sapo logr
RaMen (instantáneo) para los hombres

RaMen (instantáneo) para los hombres

Hola a todos. Estaba hambriento y aburrido durante mi segunda semana de vacaciones de verano, así que decidió preparar yo un ramen instantáneo. Sin embargo esto no es cualquier instatn ramen... es el ramen instatn que es tradicional para los hombres
Hacer un Video de lapso de tiempo perfecto de 360 grados con un temporizador de huevo

Hacer un Video de lapso de tiempo perfecto de 360 grados con un temporizador de huevo

Un video de lapso de tiempo es divertido de ver, y agregar movimiento de barrido que es aún mejor. Este Consejo le muestra cómo hacer un vídeo Time-lapse perfecto de 360 grados sin engranajes profesionales caros. Todo lo que necesitan un temporizador
Tiramisú para los puristas

Tiramisú para los puristas

tiramisú esta receta es para los puristas.  Sin sabores de odd-ball, no improvisados ingredientes "algunas cosas solo pretenden, no ser hackeado y todavía llamado por su nombre real allí" y un mínimo de ingredientes utilizados.  Incluso poniendo
Sorprendentemente deliciosos maneras de preparar huevos para el desayuno

Sorprendentemente deliciosos maneras de preparar huevos para el desayuno

Los huevos son una fuente increíble de proteínas y grasas saludables que te sientas completo. Son baratos y relativamente fáciles de preparar y hay muchas maneras de cocinar huevos para el desayuno.
Pequeño temporizador (T ^ 2 para el cortocircuito)

Pequeño temporizador (T ^ 2 para el cortocircuito)

T ^ 2 es un pequeño y temporizador de cámara simple.  Basado en el popular ATTINY85, este diseño sólo utiliza componentes de 5 .  Está diseñado con un conector estéreo macho de 2,5 mm para conectar una cámara compatible.  Estoy usando una Canon T1i R
Cáscara de huevo para lesiones de menor importancia

Cáscara de huevo para lesiones de menor importancia

Assalamualaikum wr.wbHola, tengo un buen experimento en cáscaras de huevo para el sangrado de lesiones menores difícil de parar.¿por qué cáscara de huevo?directamente a la teoría básica que es fácil de entender, cáscara de huevo tiene proteínas y cal
Arduino en juguete para los niños

Arduino en juguete para los niños

el objetivo de mi primer proyecto fue crear un juguete interactivo para niños que les ayude a desarrollan sus habilidades motoras, interactúan con su entorno.El juguete reproduce notas musicales para cada acción única que hace que el niño y puede ser
Vacaciones soporte por Lisa Fulmer para los productos de Activa

Vacaciones soporte por Lisa Fulmer para los productos de Activa

Soy nuevo en moldes y trabajo con yesos – si usted es demasiado, entonces este soporte es un proyecto de gran arranque. Es una forma simple que es divertido a la pintura, sello o plantilla con colores de temporada o tus imágenes favoritas para las va
Cadenas de nieve DIY / modificado para requisitos particulares para los neumáticos del Tractor

Cadenas de nieve DIY / modificado para requisitos particulares para los neumáticos del Tractor

Para este proyecto de instructables voy a hacer unas cadenas de neumático de nieve personalizada para nuestro fiel tractor International Harvester de década de 1960. Esto podría hacerse con cualquier tractor y probablemente quitanieves demasiado. Seg