Temperatura con DS18B20 (1 / 4 paso)

Paso 1: Lo que debes saber sobre DS18B20

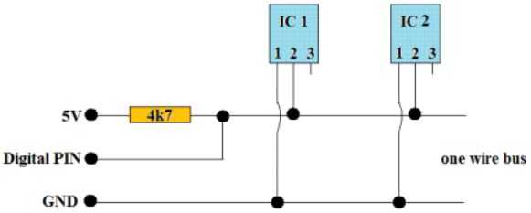
El dispositivo se comunica en un bus común. Esto significa que se pueden conectar varios dispositivos. Utilizamos solamente dos pines en el dispositivo para conectar a la placa Arduino. Tenemos dos bibliotecas en el sketch: OneWire y DallasTemperature .

Por lo que debemos incluir a estas bibliotecas.

Artículos Relacionados

Leer temperatura con DS18B20 | Frambuesa Pi 2

Leer temperatura con DS18B20 | Frambuesa Pi 2

¡ Hola!Este es mi primer proyecto de instructivo, por lo que no ser tan profesional como otros!Estamos utilizando sensor de temperatura DS18B20 para obtener la temperatura de su habitación.¡ Disfrute!Paso 1: de la fuente Se necesita:El propio sensor
DS18B2O - sonda temperatura con conector RJ45

DS18B2O - sonda temperatura con conector RJ45

este Instructable utiliza el trabajo realizado por Jonathan Oxer y Hugh Blemings en el libro "Arduino práctico" en:http://www.practicalarduino.com/y construye sobre el trabajo realizado por:http://www.cheapvegetablegardener.com/utilizando el con
Medir la temperatura con Arduino Ethernet + DS18B20 Thingspeak

Medir la temperatura con Arduino Ethernet + DS18B20 Thingspeak

Hola a todosAquí te lo dejo sabe leer temperatura con Arduino Ethernet y sensor de DS180B20 y enviar los datos a Thingspeak. Se puede acceder a mi página de Thingspeak aquí:https://thingspeak.com/channels/25037Yo he utilizado mi arduino instructable
Sensor de temperatura WiFi DS18B20 ESP8266 (ESP8266 Arduino IDE sin Arduino)

Sensor de temperatura WiFi DS18B20 ESP8266 (ESP8266 Arduino IDE sin Arduino)

En este tutorial mostramos cómo construir sensor de temperatura ESP8266 WiFi con DB18B20. Vamos a utilizar el IDE de Arduino, Arduino, sin. Datos se enviará al servidor EasyIoT (Windows o frambuesa Pi) para el registro y agradable.Ver más tutoriales
Sensor remoto de temperatura con energía solar

Sensor remoto de temperatura con energía solar

El método científico nos permite examinar el universo y sus fenómenos naturales. Mediante la recopilación y análisis de los datos, descubrimos las tendencias históricas para hacer predicciones sobre hechos futuros. Un tal fenómeno que afecta enormeme
Cómo medir la temperatura con gran exactitud con un Arduino y un tablero de Sensor de temperatura de TSYS01.

Cómo medir la temperatura con gran exactitud con un Arduino y un tablero de Sensor de temperatura de TSYS01.

Mientras estudiaba en la Universidad fuimos desafiados como parte de un trabajo de curso en diseño de una caja con control de temperatura muy preciso. Si el proyecto fuera a tener éxito, múltiples cajas debían ser construido y utilizado en un proyect
Detección de temperatura con generación de Galileo 2 y Grove Kit

Detección de temperatura con generación de Galileo 2 y Grove Kit

Les mostraré cómo configurar un proyecto interactivo de temperatura con sensor LCD RBG y temperatura usando kit Intel Galileo y grove.Paso 1: Descargar el IDE de Arduino para Intel Galileo y el código de sensor de temperatura.Paso 2: Abrir el código
Sensor de temperatura con LED

Sensor de temperatura con LED

Primero estaba interesado en el concepto de crear una taza nuevamente calentable, que detecta la temperatura del líquido y enciende o apaga según la temperatura correspondiente. Para este proyecto, he hecho un modelo de escala de esto.Utilizando Ardu
Medición de temperatura con Sensor de I2C LM75A en frambuesa Pi

Medición de temperatura con Sensor de I2C LM75A en frambuesa Pi

En este tutorial usted aprenderá cómo medir la temperatura usando el sensor I2C que lm75a conectado a cualquier modelo o versión de Raspberry Pi. El tutorial también proporciona 3 abrir muestras de código fuente escrito en el lenguaje de programación
Arduino suelo sonda con DS18B20 y bricolaje humedad Hardware

Arduino suelo sonda con DS18B20 y bricolaje humedad Hardware

Como un fanático jardinero o agricultor profesional, conocer las condiciones ambientales de nuestro suelo es invaluable. Obviamente, no podemos medir la cantidad de gusanos o pedazos de humus orgánico, pero podemos medir contenido de humedad y temper
Termómetro de Arduino DIY con DS18B20

Termómetro de Arduino DIY con DS18B20

Hola, todo el mundo! Hoy voy a mostrarte cómo hacer LCD o serie * termómetro DS18B20 digitaltemperature sensor usando Arduino, protoboard, puentes. Así que usted puede medir la temperatura del aire, líquidos como el agua y la temperatura de la tierra
Monitor de temperatura con ESP8266 - IoT

Monitor de temperatura con ESP8266 - IoT

Este proyecto ayudará a crear a un monitor de temperatura usando un SoC de ESP8266 y un sensor de temperatura (DS18B20) con las siguientes capacidades:Medir la temperaturaEnviar un correo electrónico si la temperatura pasa por debajo de un umbralMoni
Calibrador de temperatura con un servo

Calibrador de temperatura con un servo

Un proyecto electrónico y mecánico muy fácil de hacer es crear un estilo "steampunk" calibrador de la temperatura de un motor microservo. Este proyecto fue realizado para monitorear una gama estrecha de temperaturas de la habitación, de 66 grado
Termómetro Arduino Digital (con DS18B20)

Termómetro Arduino Digital (con DS18B20)

Hola,Hoy voy a mostrar cómo hacer su propio termómetro digital con sensor de temperatura DS18B20 y arduino uno.Este termómetro puede medir temperaturas de-55 ° C a + 125 ° C (-67 ° F +257 ° f). Hay botones, uno para encender/apagar luz de pantalla y