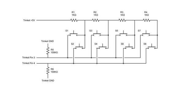
Paso 3: Hacer el circuito







Empecé por el alambre de la longitud total va a una de las entradas que fue aislado en el extremo de la soldadura. luego soldar en las resistencias y las conexiones entre botones y finalmente serpenteaba en el último cable de longitud completa alrededor de todo lo demás.
Podría tomar algunas maniobras para mantener los componentes fuera del camino para que se sienta completamente. Luego de la soldadura de la baratija y resistencias a la Junta de perf y por último conectar los botones.