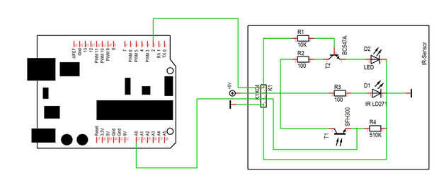
Tecla del Sensor de IR (1 / 4 paso)

Paso 1: circuito

Para cambiar la intensidad del fototransistor (T1) use una resistencia de otra para R4.

Artículos Relacionados

Construir un XBMC/KODI remoto con Arduino, protector del Sensor IR y VB.NET

Construir un XBMC/KODI remoto con Arduino, protector del Sensor IR y VB.NET

Construir un XBMC/KODI remoto con Arduino y un protector del Sensor IR, que funciona con cualquier mando a distancia.Quería controlar mi PC XBMC/Kodi de control remoto de mi decodificador satélite, ya sea ver películas en XMBC/Kodi o TV vía satélite,
Valor del sensor activado alerta SMS usando LinkitOne

Valor del sensor activado alerta SMS usando LinkitOne

Otra gran característica de la Junta de desarrollo de MediaTek LinkitOne es el soporte para tarjetas SIM!Las oportunidades de desarrollar algo realmente genial con el Linkit son infinitas.En este instructable, deje nos mira cómo leer valores de los s
Utiliza tu iPhone para escanear vehículos códigos y leer datos del Sensor

Utiliza tu iPhone para escanear vehículos códigos y leer datos del Sensor

Con el uso de un muy barato (10$!) adaptador puede utilizar tu iPhone como herramienta de diagnóstico para averiguar del motor del cheque del vehículo ligero, borrar los códigos, o ve los sensores (tales como temperaturas, lecturas del sensor de oxíg
Mostrar vivo Arduino lecturas del sensor en una LCD de Nokia 5110

Mostrar vivo Arduino lecturas del sensor en una LCD de Nokia 5110

si has trabajado alguna vez con arduino, probablemente has querido para mostrar las lecturas del sensor.Usando al serial monitor está perfectamente bien, pero ser el macarra de arduino que se está convirtiendo rápidamente en, probablemente quiere que
Valor del sensor activa correo electrónico en Linkit usando un GoBetwino

Valor del sensor activa correo electrónico en Linkit usando un GoBetwino

¡ Hola!Si eres nuevo en Gobetwino, sería beneficioso pasar anterior instructable sobre el mismo. Aquí está el enlace:Así que como ustedes saben ya, GoBetwino es una herramienta para la plataforma Windows que actúa sobre los comandos recibidos a travé
Datos del sensor de Linkit una porción JSONP (ejemplo batería)

Datos del sensor de Linkit una porción JSONP (ejemplo batería)

Esto es parcial algo empecé a hacer con el Edison de Intel (ver aquí:). La idea es relativamente simple: presentar los datos del sensor como json(p) para que un habilitador de IoT (como freeboard.io) puede consumir fácilmente los datos. Como mínimo v
Circuito del Sensor con LED de movimiento

Circuito del Sensor con LED de movimiento

Aquí es un circuito de sensor de movimiento minúsculo, que permite para cambiar algo cuando alguien se mueve delante del sensor.Paso 1: Obtener MaterialMateriales necesarios:PowerSourceMotion Sensor HC-SR501Resistencia (tal vez)LEDPuente de alambrePa
Enviar datos del sensor (DHT11 & BMP180) a ThingSpeak con un Arduino, mediante cable o WiFi (ESP8266)

Enviar datos del sensor (DHT11 & BMP180) a ThingSpeak con un Arduino, mediante cable o WiFi (ESP8266)

Escribí este instructable porque Thingspeak - no importa lo fácil fijar para arriba - tiene algunos obstáculos que me topé y que, a juzgar por las reacciones, otras personas están luchando con así.Cosas que usted necesita:ArduinoEthernetShield WS5100
Alarma del Sensor de PIR de Arduino (versión SIMPLE)

Alarma del Sensor de PIR de Arduino (versión SIMPLE)

Obtener recursos para el proyectoArduino Uno REV 3Sensor PIRZumbador piezoeléctricoCables de puenteLED azulPaso 1: Construye y programa tu Arduino PIR Sensor alarmaConstrucción y programación de la alarma del Sensor PIR de ArduinoEste es un proyecto
Mejorar la precisión del Sensor ultrasónico gama

Mejorar la precisión del Sensor ultrasónico gama

Hola de nuevo comunidad de Instructables!Este instructable le mostrará cómo mejorar la precisión de un sensor de la gama ultrasónica. Se basa en el principio que el sonido se moverá a través del aire a diferentes velocidades dependiendo de la tempera
Perro de Robo simple (hecho de teclas del piano, un arma de juguete y un ratón)

Perro de Robo simple (hecho de teclas del piano, un arma de juguete y un ratón)

(Si te gusta mi instructable, por favor voten por mí. Gracias por tu apoyo!)Oh, Azerbaiyán! Tierra del fuego, gran hospitalidad, gente amable y mujeres hermosas (... perdón,wom por n! por supuesto sólo tiene ojos para ti, mi esposaana ördəkburun de g
Hacer: es robótica Starter Kit de captura de datos del Sensor

Hacer: es robótica Starter Kit de captura de datos del Sensor

Instructable pasado hablamos un poco sobre lo que está haciendo el programa de linefollow.ino. Presenté un script en Python que nos permitirá analizar el bit a bit if declaraciones para ver cómo el valor que devuelve el método read_Optical() obtiene
Registrador de datos geo: Arduino + GPS + SD + acelerómetro para registrar, sello de tiempo y datos del sensor geo-tag

Registrador de datos geo: Arduino + GPS + SD + acelerómetro para registrar, sello de tiempo y datos del sensor geo-tag

versiones17 de octubre de 2013: he publicado una guía sobre el uso de tu teléfono Android para llevar a cabo una tarea similar al aprovechar tu Android dispositivo de construido en GPS y sensores.06 de febrero de 2013: Aparece en GeoAwesomeness http:
Lecturas del sensor de temperatura y presión de Arduino BMP180 en un 1.8" TFT pantalla a color

Lecturas del sensor de temperatura y presión de Arduino BMP180 en un 1.8" TFT pantalla a color

Pantallas gráficas color añaden una nueva dimensión a cómo puede visualizarse la información recopilada por un Arduino sensores. Las pantallas TFT son también muy baratas en comparación con el tipo de LCD.En el sketch de Arduino presenta aquí se mues