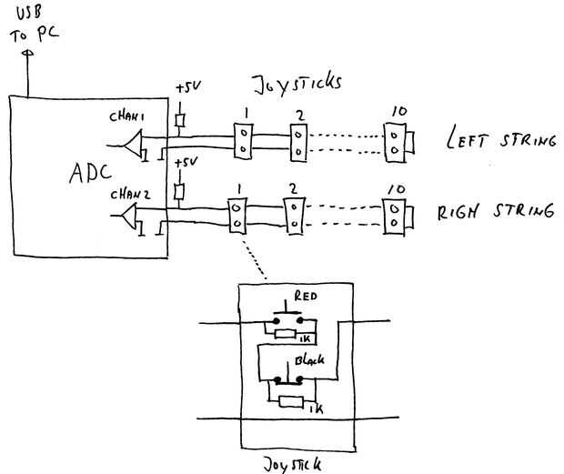
Paso 1: Joysticks






El esquema anterior muestra las interconexiones.
La construcción de la palanca de mando es bastante simple. Consiste en una cadena de resistencias que está activado o desactivado por los jugadores.
Cada jugador tiene una pequeña caja con dos botones, un botón normalmente en negro para mover el palo hacia arriba. A normalmente off rojo botón para mover el palo hacia abajo.
Se suelda una resistencia de 1 ohmio de k sobre los interruptores. Cuando se presiona ningún botón, la resistencia total de la caja es 1k, (k 1 del pulsador rojo + 0 ohm de la tecla negra cerrada). Cuando se presiona el botón rojo de su resistencia se pone en cortocircuito dando como resultado un valor total de cero ohmios. Cuando se presiona el botón negro (abierto) el valor total es de 2 kilo ohmios. Por diez palancas individuales en una cadena de conexión, la resistencia total va de 0 a 20 k ohmios.
Tenga en cuenta que cuando un miembro del equipo presiona el botón rojo y otro negro, la acción es cancelada hacia fuera, que es la idea principal de este proyecto.