Paso 4: PCB


Componentes electrónicos:
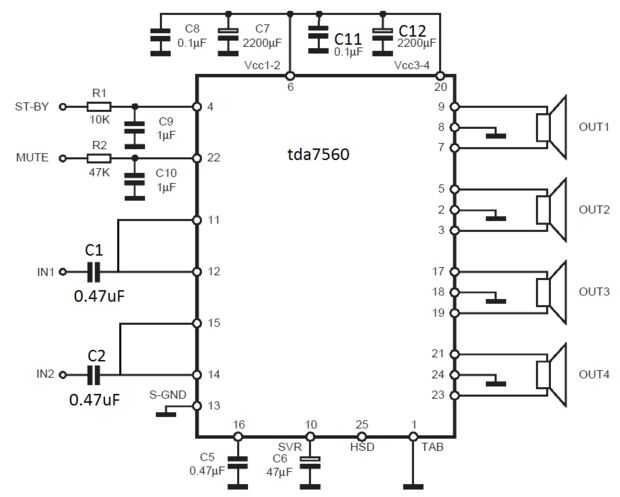
1 x TDA7560 (o TDA7386, TDA7384)
1 x 10 k ohmios (marrón, negro, naranja, oro)
1 x 47 k ohmios (amarillo, violeta, naranja, oro)
1 x 47uf
2 x 0.1uf (código caapacitor "104")
2 x 1uf (código "105")
3 x 0.47uf (código "... 474... ")
2200uf x 2 puede ser más pequeño (funciona sin condensador)