TDA7294 150W (2 / 6 paso)

Paso 2: PCB

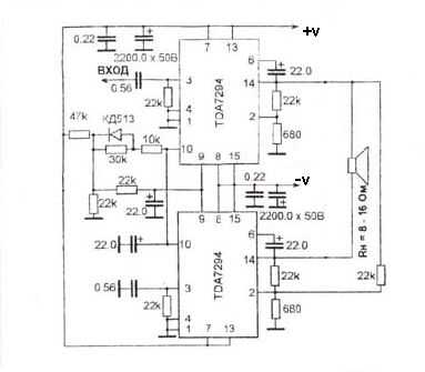
Partes:

2 x TDA7294

2 x 2200uF 50v

22uF x 4

2 x 0.22uF

2 x 0.56uF

1 x 10 k ohmios

1 x 30 k ohmios

1 x 47 k ohmios

2 x 680 ohm

7 x 22 k ohmios

1 x 1N4148

Más sobre potenciómetro azul encuentran en el siguiente paso.

Artículos Relacionados

DIY Coilgun fácil | Lanzador de proyectil electrónico

DIY Coilgun fácil | Lanzador de proyectil electrónico

Hola a todos! ¡ Bienvenido de nuevo a otro Ben construye Instructable!Hoy hacemos un coilgun casero de piezas de colocación alrededor de la tienda. Usando algunos condensadores y un interruptor y algunas otras piezas, creamos un lanzador electromagné
Colector solar Banco Central y sistema de sonido

Colector solar Banco Central y sistema de sonido

DiseñoEsta es nuestra estación de carga solar que alimenta el cuadro de indicadores en los campos de Atletismo de nuestra escuela. Los paneles solares cargan baterías internas del Banco, en la tabla de puntuación. Las baterías de alimentación entonce
Cómo construir tu todo realmente muy rápido

Cómo construir tu todo realmente muy rápido

hace unos años escribí un breve documento sobre los métodos para fabricar rápidamente elementos de sistemas mecánicos titulado Cómo construir su Robot realmente muy rápido. Se atiende a estudiantes del MIT 2.007 introducción diseño y fabricación de c
Actualizar Courtenay Solaflash 1000

Actualizar Courtenay Solaflash 1000

Mientras que mirando a su alrededor por un par de luces estroboscópicas de estudio como un sistema móvil, me encontré con un par de cabezas de Courtenay Solaflash 1000 va para una canción. He pagado £20,00 GBP (cerca de $30 dólares) por dos cabezas,
DIY: 100w Led Linterna

DIY: 100w Led Linterna

Probablemente usted ha visto algo como esto.Necesitaba algo que es brillante, puede ser utilizado en bicicleta y también puede llevar al ir a explorar.He hecho cosa parecida al sol portátil DIY beneficios pero en vez de usar gran disipador de CPU uti
Estación de energía Solar portátil

Estación de energía Solar portátil

Estación de energía solar portable o de emergencia. Estadísticas: 120W (95? max hasta ahora), 12V 80Ah AGM batería solar, MPPT controlador de carga solar, inversor de 400W (utiliza 0.8 A cuando en), 3 ventiladores de refrigeración (en/hacia fuera del
NES ordenador

NES ordenador

Este proyecto que todo comenzó cuando decidí que quería hacer mi NES roto, roto sí (yo nunca haría esto para un trabajo uno) en un HTPC. Antes de todo esto había estado utilizando una xbox 360 solamente para streaming de películas y otros medios de c
Soporte de guitarra del corte del laser

Soporte de guitarra del corte del laser

Corte del laser simple proyecto. Todo lo que necesitas son 3 cosas.Madera (utilizamos 1/2" abedul, pero muchos lo hacen)Pegamento para maderaCortador del laserPaso 1: Corte por láserLáser corte las piezas. Aquí estamos utilizando una máquina de espec
Luz CFL de 1200W DIY para fotografía o video del producto luz

Luz CFL de 1200W DIY para fotografía o video del producto luz

antes de empezar este proyecto, intentó algunas luces para mi fotografía del producto lo que encontré en casa: escritorio luces, reflectores de halógeno de 150W, etc.. Pero ninguno de ellos son perfecto para mis necesidades. :( Así que empecé a busca
CASERA de energía portátil inversor de 220V

CASERA de energía portátil inversor de 220V

Hola amigosEste es un tutorial sobre "Cómo hacer un inversor de la energía portátil 220V" Este inversor es capaz de energía CFL, luces de tubo, dc ventilador ext puede manejar hasta 150W.even te puede cargar su ordenador portátil y móvilNota: es
Impresión de pantalla de foto emulsión

Impresión de pantalla de foto emulsión

a veces necesita que su mensaje hacia fuera rápidamente y barato. ¿Cómo imprimir un montón de camisetas y parches rápidos? Aquí está cómo lo hice.Este Instructable cubre el proceso de impresión de pantalla de foto emulsión estándar, es ideal para imp
MI proyecto de generador SOLAR doméstico

MI proyecto de generador SOLAR doméstico

Mi propio generador solar: 32W, función dos: carga solar, carga eléctrica de casa.Incluye: paneles de 2x6Wpaneles de 2x10WTransformadorInversor de 150Wventilador de ordenadorcircuito controlador de cargabatería de cochehierro de ángulo
V1.0 (Drone It Yourself) Kit DIY

V1.0 (Drone It Yourself) Kit DIY

kit v1.0 el bricolaje (Drone It Yourself) te ofrece la oportunidad de convertir cualquier objeto en un abejón (o técnicamente, un UAV). El kit consta de varias partes que son fáciles de montar y puede conectarse a una amplia gama de diferentes objeto
40W DIY CNC láser de corte, de impresión mala mejor con 3D

40W DIY CNC láser de corte, de impresión mala mejor con 3D

Este proyecto convierte un mal funcionamiento K40III chino-cortador del laser en un espacio físico al espacio de trabajo optimizado relación DIY-cortador del laser. Voy a intentar mi mejor para cubrir lo que uno podría hacer diferente para guardar di