Paso 2: Montar el circuito




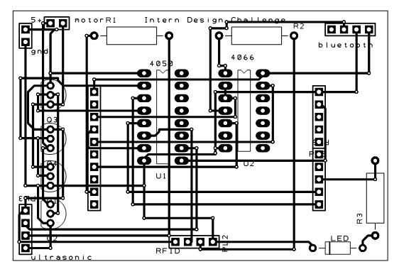
El circuito permite el MSP430 para comunicarse con los módulos y permite que el microcontrolador abrir y cerrar la tapa.
A continuación monte el circuito en el protoboard.
Opcional - un PCB puede ser dibujado e impreso para que el proyecto sea más compacto y profesional.