Paso 2: Diseño del sistema








2. iOS App
3. servidor
La Junta envía una solicitud al servidor cuando se pulsa un botón. El servidor guarda un estado y usa notificaciones Push de Apple a iOS de la aplicación. La aplicación consulta el último estado del servidor y envía actualizaciones sobre artículos de compra. La Junta actualiza su estado desde el servidor cada 5 minutos.
La Junta de
El sistema se basa en el microcontrolador STM32F051 . Me gusta usarlo porque es muy fácil de programar y usar.
Usé RN-XV WiFly como un módulo Wi-Fi. El módulo es un placer trabajar con: todo lo que necesita es energía, reajuste y las líneas de la UART.
El tablero casas 35 botones momentáneos de la TL1265 . Cada botón contiene un LED y está conectado a través de un transistor.
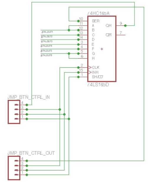
Los botones (y sus LEDs) están conectados a través de registros de cambio. Utilicé 74HC165A para leer el estado de botón y 74HC594 para controlar los LEDs.
Usé Parque de SST para la fabricación de la Junta. La calidad de la Junta es muy alta y se consiguió hacer en 10 días.