Paso 5: Conexión de la electrónica.


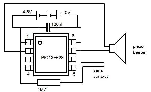
La electrónica según el esquema de la soldadura. Este esquema muy simple puede ser construido sin un pcb. Suelde el zumbador piezoeléctrico con el alambre lacado.
Los contactos de sens son los 2 cables que pasan por los agujeros. El electrodo más pequeño de las baterías es el lado negativo. En el cuadro utilizar baterías de tipo más pequeño que por lo que diseñé la caja.