Tamaño F-22 Raptor con caso de bolsillo (2 / 6 paso)

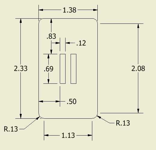
Paso 2: plataforma

La anchura de los rectángulos en el centro de la plataforma puede alterada en el archivo .ipt ya que depende de la profundidad de la madera que utilizan.

Artículos Relacionados

Batería DIY: Energía una linterna de LED con cambio de bolsillo!

Batería DIY: Energía una linterna de LED con cambio de bolsillo!

En este artículo, le mostraré cómo reemplazar la típica 3 AAA batería común baratos linternas de LED con cambio de bolsillo de accionar la linterna en una pizca. La batería creada incluso cabrá derecho interior donde debe ir la batería normal! Todos
Tamaño cuaderno de acordeón con tarjetero de bolsillo

Tamaño cuaderno de acordeón con tarjetero de bolsillo

esta es mi entrada en el desafío de tamaño de bolsillo. Soy una persona muy olvidadiza y dependen de listas de tareas para mantenerme centrado y en pista. Para mantenerme organizado esta es una lista de tarea final inspirado PocketMod.  Me han dicho
Tamaño destino de tiro con arco del conejo

Tamaño destino de tiro con arco del conejo

este objetivo de tiro con arco es cerca del tamaño de un conejo. Puede parar una flecha del punto de campo de un arco compuesto de 55lbs en 10m. La flecha es detenida rápidamente sin doblar las flechas y tiran hacia fuera fácilmente.Paso 1: Conseguir
Camiseta tamaño a túnica con diadema de arco.

Camiseta tamaño a túnica con diadema de arco.

Para los que tienen camisetas que son demasiado grandes para ellos.Materiales necesarios:-Un gran tamaño camiseta. (Dependiendo de su tamaño, elegir algo que es al menos dos tamaños demasiado grandes.-Tijeras-Pins rectas-Lápiz tiza/tiza-La aguja y de
Tarjeta de crédito tamaño soporte de smartphone con lector de Micro SD

Tarjeta de crédito tamaño soporte de smartphone con lector de Micro SD

¿Siempre quieren ver una película en su teléfono inteligente, navegar por internet, o tal vez un poco Leer pero no quiere comer la hamburguesa con una mano?Este soporte es lo suficientemente pequeña como para caber en la ranura de tarjeta de crédito
Caso DODO para los teléfonos con casos

Caso DODO para los teléfonos con casos

Caso DODO es genial! Pero ¿qué pasa si no quieres llevar el teléfono de su caja para ponerlo en el compartimiento del caso DODO?Paso 1: cortar...Fácil solución!En primer lugar, cortar la cartulina tapa frontal del resto del caso.Paso 2: Inserte la ti
Adaptar audífonos para trabajo con caso Mophie iPhone

Adaptar audífonos para trabajo con caso Mophie iPhone

Paso 1: problema El Mophie Juice Pack es una gran adición a cualquier iPhone pero la parte inferior causa problema si desea utilizar los auriculares regulares. El caso se extiende por debajo de la parte inferior del teléfono y tiene puertos que redir
LEGO micro tamaño tren de vapor con los coches

LEGO micro tamaño tren de vapor con los coches

el tren micro. 1 tren y 5 micro coches de cars 2 para cajas, coche para lo pesado especial, coche para el tractor, coche para el carbón. Instrucciones que encontrará en mi canal de YT Legomasterpl
Simple, con amplificador de bolsillo

Simple, con amplificador de bolsillo

este es un pequeño amplificador de potencia que se conecta a un conector estéreo de 1/8" y acepta la misma. Muchas personas no saben nada sobre circuitos de amplificador y no tienen idea cómo hacer uno, así que por qué no dejamos que una empresa hace
Manopla los amantes de la con calentador de bolsillo reutilizable

Manopla los amantes de la con calentador de bolsillo reutilizable

Woohoo, este es mi primer instructivo! He aprendido mucho de este sitio, que sentí que era hora de devolverle a la comunidad. Por favor me avisan si hay algo que necesita aclaración. ¡ Gracias!Anywho, usted podría mirar esto y preguntando lo que el m
El alambre cómo hacer tron superhéroe traje traje con blaster de bolsillo super sonido y música

El alambre cómo hacer tron superhéroe traje traje con blaster de bolsillo super sonido y música

seguir mi canal de youtube: http://www.youtube.com/user/educatetowin?feature=mheeSitio web: http://www.educatetube.comHost: SipskiCómo hacer un superhéroe traje como tron con un altavoz incorporado.  El video de arriba es lo más destacado de cómo el
Llavero de 10 minutos con pequeños bolsillos

Llavero de 10 minutos con pequeños bolsillos

Mi hermano comienza a tocar la guitarra y creo que una manera de llevar picos, así que le hice un prototipo.Perdón por solo pone una foto del acabado instructable, pero es tan simple----------Se necesita:Fuentes:Un pedazo de llanta de bicicletaLlaver
Gafas de sol con clip de bolsillo

Gafas de sol con clip de bolsillo

todo uso debe caber en mis bolsillos.  Debo tengo gafas de sol conmigo en todo momento, pero poniendo en mi bolsillo no es una solución viable... hasta ahora.  Mis gafas de sol con clip desmontar en un paquete de bolsillo.Paso 1: Seleccionar las gafa
Menta-tamaño éxito metro (dejar de fumar!) con Arduino

Menta-tamaño éxito metro (dejar de fumar!) con Arduino

llega un momento en la vida infantil detrás y abandonar hábitos desagradables. Algunos, como fumar, pueden ser muy duros sin aliento constante. Es tiempo para mi hobby favorito con mi objetivo de conducir y hacerlo: el medidor de éxito dejar de fumar