





Te recomiendo elegir una tablet que ya tiene un coche de muelle. Este muelle puede ser fácilmente modificado para ser instalado permanentemente en un reproductor de CD doble din normalmente iría. También, con un muelle de coche, el dispositivo será fácilmente desmontable para que pueda evitar el robo y usar la tablet en otro lugar.
Herramientas:
Strippers de Plegadores
Soldador (recomendado)
Conductores del tornillo
Taladro
Dremel con cuchillas de corte
Equipo:
Tablet con Dock de coche (elegí el Samsung Galaxy Tab 7 +)
1/4 hoja de Lexan (aprox. 10 "x 6")
Pintura
Sierra perforadora de 1-1/4"
3/8 broca
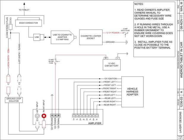
Amplificador
Adaptador de Audio de coche
Tapones de horquilla
WIRE - pesado del calibrador para amplificador de potencia
WIRE - Calibre medio para señales de altavoz
Ojales
Cinta aislante
Cinta Scotch