Super Brite LED zapatillas 1.0 (15 / 19 paso)

Paso 15: El circuito

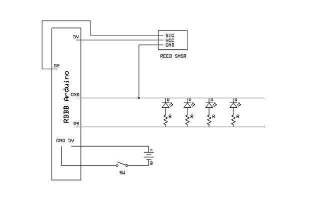
Verificar el diagrama del circuito para donde hacer conexiones para el Arduino de BRD.
LEDs ir a PWM Pin 9 (D9) y GND.  Reed Sensor va a 5V y el Pin 2 (D2).

Artículos Relacionados

Super brillante LED zapatillas

Super brillante LED zapatillas

Ejecutando temas: Funcionamiento temprano en la mañana o por la noche puede ser un muy beneficioso para su salud física y mental. Corro a menudo después de un día agotador o simplemente como una manera comenzó mi día. Cintas de correr son aburridos y
Super gorra Led de 100 000 micro faradios

Super gorra Led de 100 000 micro faradios

Super condensador con de 100 000 micro faradios está conectado al led con resistor, condensador se carga con corriente continua para un vil, unos 30 segundos y luego el wil led brillo alrededor de 5 minutosAquí teneis fotos de cómo construir estaPaso
DIY Super Powerful LED Torch

DIY Super Powerful LED Torch

Hola chicos somos en nuestro 8 Instructable sobre este sitio...Recientemente nuestro pueblo sufría un corte de energía y mi hermano y que nuestra vieja antorcha estaba roto y no era muy potente...Así que decidimos hacer uno para nosotros...Se realiza
¿Supa Dupa led Throwie Retreval sistema

¿Supa Dupa led Throwie Retreval sistema

sabes cómo molesta la madre naturaleza es?No espere que ella gritara a usted!¡ Limpie usted pitido intermitente cosita!Aquí es sólo un esbozo de una idea que alguien debe ampliar!Paso 1:Conseguir un Led ThrowieObtener un sistema de velcroUna bola de
Botón rápido Super brillante LED

Botón rápido Super brillante LED

hice este instructable un poco rápidamente para responder a una pregunta en los foros.Es para un botón LED que puede utilizarse para bromasUsé una batería de 9v1 pinza cocodrilo que se puede reemplazar con un cable permanente cuando está puesto en el
Cómo construir un 8 x 8 x 8 LED cube y controlarlo con un Arduino

Cómo construir un 8 x 8 x 8 LED cube y controlarlo con un Arduino

hay un montón de cubos de LED en Instructables, así que ¿por qué otro? La mayoría son pequeños cubos que consta de 27 o 64 LEDs, raramente más grandes ya que se limitan al número de salidas en el microcontrolador. Este cubo será 512 LEDs y sólo tendr
Mi LED Throwies

Mi LED Throwies

esta es mi versión del proyecto LED Throwies. Lo voy usando diferentes LEDs y los imanes. Sólo pensé que sería bueno postearlo para que todo el mundo pudo ver cómo se diferencia de los Throwies real y original. Todos los créditos, etc. va a Graffiti
Desklight de SteamPunked USB LED con el reloj

Desklight de SteamPunked USB LED con el reloj

inspirado por otros miembros.Hecho de piezas de VCR y super brite LED.Y ahora esto se acaba con el nuevo interruptor
Brillante de la zapatilla con tira LED & Xadow

Brillante de la zapatilla con tira LED & Xadow

mo.momiTiras de LED son sorprendentes! Firewalker-led-zapatillas de deporte (http://learn.adafruit.com/firewalker-led-sneakers) de Adafruit me inspiraron.Quiero cambiar una manera de controlarlo, en vez de "sensible a la presión", usar un sensor
DIY Laser-Cut LED Pennyboard

DIY Laser-Cut LED Pennyboard

En este instructable, usted a aprender cómo hacer tu propio DIY corte Laser LED Pennyboard (mostrado arriba).Estos son los materiales necesarios con enlaces y precios:Madera de pino (por lo menos. 75 "x 10" x 25 ")-≈ $30 http://www.homedepo
Introducción a las tiras de LED

Introducción a las tiras de LED

Tiras de LED son una forma muy divertida y eficaz para dar un montón de brillo y color a un proyecto. En este Instructable aprenderás sobre los tipos básicos de tiras y cómo enlazar hasta el Edison de Intel con placa de Arduino breakout. Estos circui
DIY: 100W linterna LED montada en tubería de PVC

DIY: 100W linterna LED montada en tubería de PVC

En este video que voy haciendo 100W super brillante LED linterna en caja de tubo de PVC.Partes principales compraron de ebay. Puede encontrarlos fácilmente escribiendo este texto en el buscador de ebay:-Viruta de la mazorca LED de 100W;-Soporte de 10
Cojines de hombro del LED

Cojines de hombro del LED

Para este proyecto, me inspiré por mi mejor amigo. Ella tenía ganas alguna discoteca fabulosa tecnología usable armadura inspirada para festivales y fiestas de disfraces durante algún tiempo. Tomé un par de rodilleras de construcción/jardinería y con
Reemplazo del tubo fluorescente del LED

Reemplazo del tubo fluorescente del LED

en este instructable, lo pruebo y describen todos los pasos necesarios para crear un reemplazo fluorescente del tubo del LED. Este instructable es siempre más como guía, usted puede cambiar casi cualquier cosa aquí para satisfacer sus necesidades. La