Paso 2: Tu propio circuito y modificación


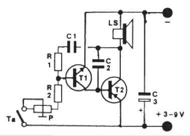
T1: 1 transistor BC 237 C
T2: 1 transistor BC 638 o BC 640
R1: 1 resistencia 6.8 KΩ (azul-gris-rojo...)
R2: 1 resistencia 130 KΩ (marrón-naranja-amarillo...)
P: 1 potenciómetro 50K (504)
C1: 1 condensador 6.8 nF (6800 pF)
C2: 1 condensador 0, 1μF (104M)
C3: 1 capacitor electrolítico 47 μF 16V
(TA: significa pulsador) pero no se usa en este circuito modificado
LS: 1 altavoz 8Ω (ohmios)
1 placa de circuito impreso epoxyde, aprox. 55 x 27 mm
Si usted no puede pedir este kit, no importa es muy fácil de construir un nuevo circuito por hacerlo usted mismo :-))) y creo que es lo que realmente quieres!!!!!!