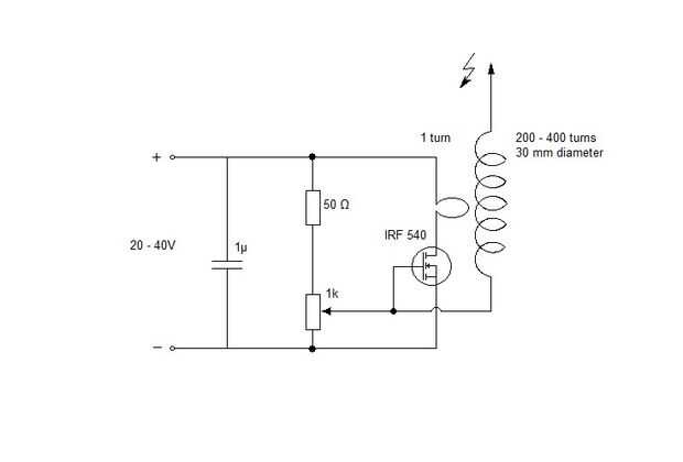
SSTC simple (1 / 3 paso)

Paso 1: Lo que se necesita

IRF 540 MOSFET (MOSFET de otros similar funcionará IRF 510, 630)

Disipador de calor

Resistencia de 50 Ω

1 pote de kΩ

Condensador μF 1

Cartón, tubo de vidrio o baquelita

Artículos Relacionados

SSTC fácil, excitador de Slayer en los esteroides!

SSTC fácil, excitador de Slayer en los esteroides!

En este instructable, te voy a mostrar cómo construir una potente versión del circuito excitador slayer! Este diseño es lo suficientemente potente como para ser considerado un SSTC o bobina de Tesla de estado sólido. Puede lanzar arcos eléctricos muy
Cómo hacer una bobina de Tesla de estado sólido de Musical (SSTC) que toca la guitarra!

Cómo hacer una bobina de Tesla de estado sólido de Musical (SSTC) que toca la guitarra!

Este es mi primer sólido estado bobina de Tesla (SSTC), que creo que resultó bastante bien! Mi intención era más hacia ella tocando música en lugar de chispas enormes, pero tengo unos 6 en chispas de él también que es un bono.El objetivo de este inst
Simple ángulo de Loft almacenamiento armarios

Simple ángulo de Loft almacenamiento armarios

Hola, Bienvenidos a mi primer instructivo!Esto va a mostrar cómo hacer algunos armarios de almacenamiento super sencillo, para áticos que tienen techos de ese ángulo. Hice estas para hacer uso del espacio que normalmente se desperdicia en los bordes
Silla de paleta simple

Silla de paleta simple

El problema era que siempre colgamos fuera en casa de mi uno amigo, y rompen las sillas de jardín que utilizamos siempre. Mi solución fue diseñar y construir una silla barata, que esperemos que no se romperá pronto, que puede soportar los elementos.P
Quadcopter simple

Quadcopter simple

Quadcopter realmente simple y fuerte, con motores brushless de A2212 común y simple 30A ESC.Por un tiempo ahora he estado haciendo complejo y detallado modelos, así que pensé era hora de hacer un simple quad. y la verdadera razón es que todavía estoy
Cómo hacer un quadcopter micro DIY simple.

Cómo hacer un quadcopter micro DIY simple.

Hola soy Sankeerth y este es mi primer instructable. Aquí muestro una manera simple de hacer un micro quadcopter. Siempre quise hacer una quadcoper. He probado muchos años antes pero no funciona. Este el año le dio un ir.Si te gusta este instructable
BRICOLAJE eléctrico del patín (muy Simple)

BRICOLAJE eléctrico del patín (muy Simple)

Patines en general no son fáciles de hacer. Debe comprar varias capas de madera contrachapada, cortar precisamente y en un ángulo y luego utilizar una increíble cantidad de pegamento para madera para conseguirlo a todas pegadas. Agregando además, pat
Hornear un pastel de gelatina de fruta Yogurt Simple. Receta fácil. Utensilios básicos. Pocos ingredientes.

Hornear un pastel de gelatina de fruta Yogurt Simple. Receta fácil. Utensilios básicos. Pocos ingredientes.

Aquí es un pastel muy sencillo, pero delicioso. Aunque hemos utilizado nuestro yogur hecho en casa, mantequilla y jalea como ingredientes (ver nuestros otros proyectos aquí en Instructables), la tienda compró versiones trabajo fino, también. Es grati
Rack simple Skate

Rack simple Skate

Este estante simple patín puede personalizarse fácilmente para patinetas hasta cinco y se puede construir con una solo 8' x 2" x 4" pieza de madera. Si eres capaz de encontrar una pieza bonita, superficie de madera sólo necesita una sierra para
Simple corte transversal trineo

Simple corte transversal trineo

En este video hago una cruz corte trineo con Kregs precisión Trak y Kit Stop.Se trata de una construcción por la tarde muy simple sin las campanas y silbatos. La precisión de Kreg Trak añade un sistema de bloque de parada versátil que permite cortes
Cómo construir un simple fotómetro de Twilight

Cómo construir un simple fotómetro de Twilight

Un fotómetro de Crepúsculo es un sensor de luz muy preciso, utilizado en el amanecer o crepúsculo. Su propósito es medir la cantidad de aerosoles en la estratosfera.Cuando el sol está abajo el horizonte ya no directamente ilumina la tierra, la luz re
Calibración simple magnetómetro Manual

Calibración simple magnetómetro Manual

Hay varios tipos de magnetómetro barato ahora disponible que puede utilizar para detectar una dirección de la brújula, pero todos ellos (que yo sepa) necesidad de calibración antes de poder obtener resultados razonables. En este Instructable, te demu
Hacer una Simple movimiento Sensor Relay Board (PIR)

Hacer una Simple movimiento Sensor Relay Board (PIR)

Hola todo el mundo,Después de un exitoso golpe y recomendado con "hacer un Sensor de movimiento Simple de la luz"Empecé a pensar en otra cosa...Por lo tanto, estoy aquí con ' hacer una placa de relé Sensor de movimiento! "Es la misma pero c
Pulsera de Macrame Simple DIY

Pulsera de Macrame Simple DIY

Hola, me gustaría que le muestre cómo hacer pulseras de macrame simple que puede usar en verano, hacer como un regalo para tus amigos y aumentar tu habilidad en el arte de la mano. El secreto todo está en atar nudo después de un nudo, lo que signific