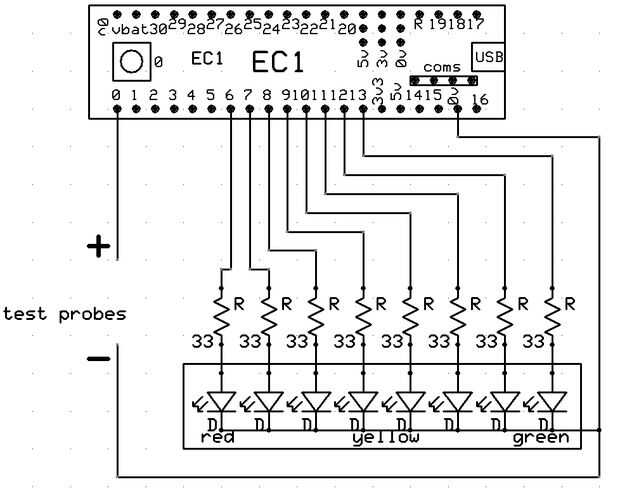
SPLat EC1 basado en AA y AAA probador de la batería con gráfico de barras (1 / 6 paso)

Paso 1: esquema

Artículos Relacionados

Probador de la batería de Arduino con luz Led

Probador de la batería de Arduino con luz Led

Lo que estoy haciendo es un probador de la batería con luces Led que también funciona en un Arduino.What que muestra cuánta batería queda en él por el encendido del LED. Para el cableado usé un tablero que me ayudó mucho. Por favor comentar sobre mi
Bluetooth control 4 X 4 matriz led usando un SPLat EC1 PLC

Bluetooth control 4 X 4 matriz led usando un SPLat EC1 PLC

Partes:Cautín y soldadurapedacitos de taladrotaladropedazo pequeño de maderaUn equipo que ejecuta SPLat/PC, el SPLat entorno de programación (IDE)cable trenzado sólidoCables de la Rúbrica femeninaSPLat EC1 1 PLCMódulo de puerto de serie de JY-MCU Blu
Probador de la batería de Arduino Uno R3

Probador de la batería de Arduino Uno R3

Este sencillo proyecto se pretende ayudar a contestar la pregunta de toda la vida "Esta batería tiene cualquier jugo de izquierda?". Aunque está disminuyendo la popularidad de las baterías de célula (por ejemplo, AA, AAA, C y D de la célula), aú
Probador de la batería de Arduino

Probador de la batería de Arduino

Mi nombre es Will Yoder y soy un estudiante en el estado de Carolina del norte. Este es mi proyecto final para TDE 359, que es la electrónica en la Universidad de estado de Carolina del norte. Para este proyecto que suponga un proyecto de Arduino exi
Probador de la batería de Linkit uno

Probador de la batería de Linkit uno

Hace unos meses que creé un instructivo en el que debería cómo crear un probador de la batería usando el tablero de Linkit uno, en este instuctable voy a mostrarte cómo hacer un probador de la batería usando el Linit uno. Una batería probador funcion
Petite probador de la batería de bolsillo

Petite probador de la batería de bolsillo

no hay ninguna soldadura para este probador de baterías pequeño muy fácil de hacer...Puede mantener el medidor en el bolsillo más pequeño...Tome una mirada cuidadosa en batería causada brillo del LED.Y hay otros usos para estos componentes.Paso 1: pa
Probador de la batería de Arduino Uno T-Rex

Probador de la batería de Arduino Uno T-Rex

Este instructable fue creado en cumplimiento de la exigencia de proyecto de la Makecourse de la Universidad de South Florida (www.makecourse.com)Hola y Bienvenidos a mi proyecto de Arduino Uno T-Rex probador de la batería. Este proyecto incluye tanto
Cómo hacer un probador de la batería de Arduino

Cómo hacer un probador de la batería de Arduino

Este proyecto de Arduino pondrá a prueba la tensión de una 1.5V batería.Paso 1: materialesAquí están los materiales necesitados para crear el probador de la batería:Arduino Uno2 LED amarillo1 LED rojo1 LED RGB4 resistencias de 330 ohmios9 cables (los
Que barato probador de la batería

Que barato probador de la batería

mayoría de nosotros probablemente ha visto estos probadores de batería en el almacén del dólar, si no lo has hecho, es una marca bastante simple. cuando compré mi, sirvió bien; entonces comenzó rompiendo el artículo del almacén del dólar era de ser.
EC1 basado USB accionado electrónica die

EC1 basado USB accionado electrónica die

Partes:1 x EC1 SPLat PLCpantalla digital de 1 x 7 segmento común de cátodoresistencias de ohm 7 x 33conectores hembra encabezadode la soldadurasoldadura de hierro1 x pulsador (normalmente abierto)Alambre de diversosUn equipo que ejecuta SPLat/PC, el
Fallos del módulo Arduino Bluetooth utilizando un PLC de Splat EC1

Fallos del módulo Arduino Bluetooth utilizando un PLC de Splat EC1

EL EC1 Splat en Splatco.com es un controlador embebido de Moe que es capaz de multitarea hasta 64 procesos a la vez, algunas de las características incluyen salidas PWM (modulador de ancho de pulso), flotante y punto y mucho más incluyendo interfaz c
12-24v regulador del motor de DC con un PLC de SPLat EC1

12-24v regulador del motor de DC con un PLC de SPLat EC1

No hay muchos programables DC controlador de motor instrucciones sencillas por ahí pero ahora les traigo instrucciones paso a paso sobre cómo hacer que puede ser ampliado para su uso en robots a un 500W eléctrico va el carro!(Nota este instructable s
NodeMCU ESP8266 de Arduino basado en tablero de tira 4 relé interruptor elegante WIFI con Raw TCP/IP, Mqtt y Android App

NodeMCU ESP8266 de Arduino basado en tablero de tira 4 relé interruptor elegante WIFI con Raw TCP/IP, Mqtt y Android App

El MCU de nodo es de código abierto ESP8266 base Wifi habilitada plataforma de Internet para todo el mundo. Lo que hemos hecho se crea una Junta de cuatro relés para él y la parte más cool es que junta también tiene una CA 100-240V a DC de 5V de alim
Arduino verdadero probador capacidad de batería (Li-Ion/NiMH/NiCD/Pb)

Arduino verdadero probador capacidad de batería (Li-Ion/NiMH/NiCD/Pb)

si alguien vio mi último instructable "Simple Li-Ion batería probador de alimentación" ahora puede actualizar a una versión de alta tecnología computarizada que es capaz de medir casi cualquier tipo de recargables o no recargables (pero agotará