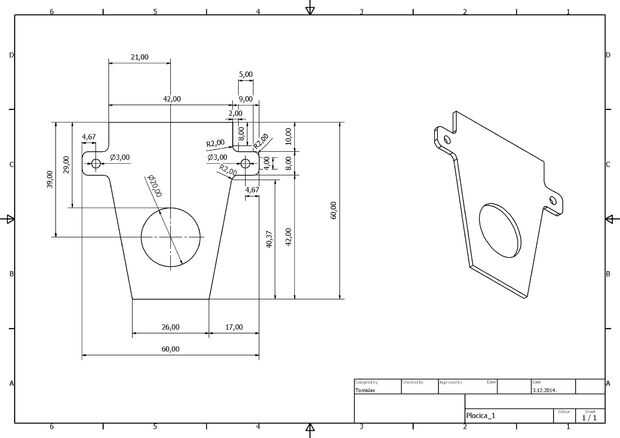
Paso 2: Diseño del hardware y PCB




Después de diseñar el circuito que controle las dimensiones de la Junta que puede caber en el soporte de taladro. Esto se hará desde el tablero de una sola capa del PWB de 1,5 mm. Medir las dimensiones de su programa de CAD favorito.
Lamentablemente KiCad no puede importar DXF o archivos similares con forma de PCB, así que tienes que dibujar el contorno a sí mismo. Hay un hack para importar el esquema de la PCB pero lo he probado y no funcionaba por lo que acaba de dibujar el contorno.