Soporte de Pan & Tilt Servo controlado por Arduino (2 / 6 paso)

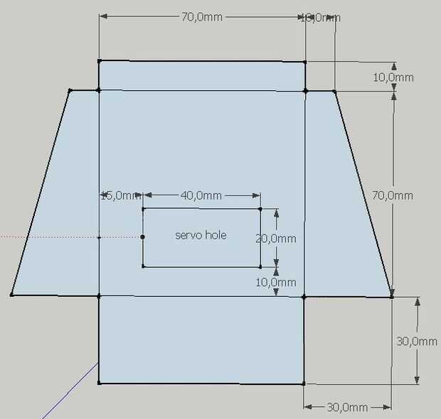
Paso 2: diseño

Primero tendrá que dibujar el diseño sobre el aluminio.

Artículos Relacionados

Controlado por Arduino lobo cola

Controlado por Arduino lobo cola

saludos, o mejor dicho, "Aaaaaooooooooooooh"! Complace en hacer su entusiasta compañero lobo de acquaintence. Tienes un espíritu lobo interior que es por lo que deseoso de darse a conocer que han venido a aprender a hacer tu cola de lobo animatr
Lámpara de sobremesa - con caja de relé controlado por Arduino Bluetooth

Lámpara de sobremesa - con caja de relé controlado por Arduino Bluetooth

Hoy voy a mostrar cómo construir tu propia lámpara de escritorio controlado Bluetooth con arduino uno.Para este proyecto tienes que construir el ralay de caja que se puede encontrar aquí:(Nota: si no desea construir una caja se puede usar un módulo d
Pan Tilt cámara con Arduino y Joystick

Pan Tilt cámara con Arduino y Joystick

cómo hacer un pan tilt cámara sistema usando un viejo palillo de psx y arduino.Este sistema le permite fijar la actitud por ejemplo de una leva, laser o como lo quieras colocar.Usted puede encontrar el código y la descripción (Italiano) aquí:http://s
El Hexachord, un instrumento Musical controlado por Arduino

El Hexachord, un instrumento Musical controlado por Arduino

El año pasado, con la fecha límite de la zona de Bahía Maker Faire, he creado un nuevo instrumento llamado el Hexachord. Era un montón de diversión, un gran éxito, y he tenido la oportunidad de hacer una serie de conversaciones sobre ello. El desafío
Impresión 3D: hacer Servo controlado por válvulas de

Impresión 3D: hacer Servo controlado por válvulas de

Válvulas servo pequeño y confiable controlado pueden ser fácilmente impreso 3d. Son adecuados para el control de aire o agua y todo tipo de proyectos de robot.Porque usan micro-servos RC estándar, puede controlarse por una configuración estándar de r
Cómo hacer fotografía Time-lapse inteligente controlado por Arduino

Cómo hacer fotografía Time-lapse inteligente controlado por Arduino

proyecto: fotografía Time-lapse dinámica sensible a la luz y ajustablePor Holden Leslie-BoleCosto aproximado: $70 sin la cámaraHe estado haciendo alguna fotografía Time-lapse con mi GoPro HERO3 un rato ahora, y he conseguido algunas imágenes grandes.
Lanzador de pelotas de Ping Pong controlado por Arduino

Lanzador de pelotas de Ping Pong controlado por Arduino

Hola todo el mundo!Se trata de un lanzador de pelotas de ping pong diseñado para ser controlado por un arduino.Utiliza un servo para dispensar las bolas y dos motores con las ruedas para dar velocidad y disparar.Todas las piezas pueden imprimirse uti
Controlado por Arduino bolsillo Etch A Sketch paseo aleatorio simulación

Controlado por Arduino bolsillo Etch A Sketch paseo aleatorio simulación

este proyecto es el resultado de Wal-Mart compra por impulso salida carril de Etch A Sketch de bolsillo por $3.99.Dos motores paso a paso conducen los ejes de mando de Etch A Sketch, y un motor servo gira Etch A Sketch para borrar la pantalla.  Uso a
Controlado por Arduino uno apuntado Centinela Monte

Controlado por Arduino uno apuntado Centinela Monte

En este proyecto construimos un montaje segmentación automático fácil, bajo costo, baja complejidad, alta funcionalidad para cualquier propósito que usted requiere. Cuando viene alguien o algo cerca del dispositivo, por arte de magia (no realmente) g
Huevo-Bot controlado por Arduino DIY

Huevo-Bot controlado por Arduino DIY

En este instructables te mostrará cómo hacer tu propio Huevo-Bot controlado con Arduino. Que quería hacer antes pero pensé que es demasiado difícil para mí pero me equivoqué. Es fácil de construir que para que todo el mundo puede hacerlo.Paso 1: part
Sensor ultrasonido HC-SR04 del movimiento de GoPro controlado por arduino

Sensor ultrasonido HC-SR04 del movimiento de GoPro controlado por arduino

Gopro activado por movimiento, el sensor de ultrasonidos mover el servo cuando algo aparece cerca del sensor, puede ser programado para tomar fotografías o video, y también puede programarse que deje de tomar fotos cuando no hay ningún movimiento en
1Sheeld controlado por Arduino vehículo

1Sheeld controlado por Arduino vehículo

Utilizando 1Sheeld, mando un Arduino powered vehículo con el acelerómetro en tu Smartphone/Tablet.Paso 1: lo esencial Se requieren los siguientes elementos, o equivalente.1) cualquier Arduino powered plataforma del vehículo. En la foto es el Thumper
Controlado por Arduino Bluetooth-bot

Controlado por Arduino Bluetooth-bot

este instructable le mostrará cómo convertir un viejo coche de R/C del juguete de la tienda ($1,50) en un robot controlado por bluetooth. Para hacer la conversión, usted necesitará un Arduino (cualquier tipo), un L298N 2 amp motor-controlador doble (
BlueDuino el Android controlado por Arduino Robot

BlueDuino el Android controlado por Arduino Robot

Para empezar este es mi primer instructivo y mi primer tutorial general. Con esto dijo señala en los comentarios lo que no entiendes en este post.Hace unas semanas tengo curiosidad sobre cómo Bluetooth control de arduino funciona, después de un poco