Sonriendo Santa (2 / 38 paso)

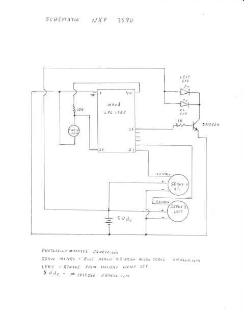
Paso 2: esquemático

Voltaje a través de un par de resistencia/fotocélula cambia cuando cambia la cantidad de luz que llama la atención la fotocélula. Este voltaje se suministra a los 1768 LPC (microcontrolador, podría utilizar un Arduino, sólo significaría usando pernos diferentes y diferente software código) como una entrada analógica. Salidas de la LPC 1768 encienda los ojos LED y activan dos servomotores.  Los servomotores son conectados por la línea de pesca a los extremos de la boca de goma flexible.

Artículos Relacionados

Automatizado Wheelo--Santa Claus tienda 2016

Automatizado Wheelo--Santa Claus tienda 2016

¿Nunca llegaste cansado de operar su Wheelo a mano? Sé que hice, así que tengo automatizado el proceso utilizando un servo motor para subir y bajar la rueda, un transductor ultrasónico ping para detectar la ubicación y un Arduino para manejar la retr
Servo controlado mono Palmas--Santa Claus tienda 2016

Servo controlado mono Palmas--Santa Claus tienda 2016

Este servo motor controlado Palmas mono es uno de muchos dispositivos móviles se encuentran en 2016 de pantalla de Navidad. Esta toma en el mono caja estará acompañada por elfos, Santa y juguetes inusuales para llevar a cabo un programa de electromec
Ornamento del árbol de Santa cuentas!!!!

Ornamento del árbol de Santa cuentas!!!!

Este instructable le mostrará cómo hacer un adorno con cuentas de Santa para tu árbol de NavidadPaso 1: Reunir los materiales1. necesita:una) de granos27 cuentas rojas51 cuentas blancas13 perlas beiges3 perlas rosa luz2 granos negrosb) cadena plástic
Albahaca Santa (Tulsi) - remedios caseros de perfecto.

Albahaca Santa (Tulsi) - remedios caseros de perfecto.

Nota: Puede ser que mis imágenes no se ven bien porque no tengo ninguna cámara estoy usando mi Nokia E5. Pero que entiendan que mi idea es suficiente para mí.Albahaca Santa (Tulsi, Ocimum tenuiflorum) es una planta sagrada en la creencia hindú. Se cu
Elmer Elf--Santa Claus tienda 2016

Elmer Elf--Santa Claus tienda 2016

Esta elfa animada programable es el primero de muchos dispositivos móviles se encuentran en 2016 de pantalla de Navidad. Elmer se unirán más elfos, Santa y juguetes inusuales para llevar a cabo un programa de electromecánico.Esto podría utilizarse pa
El pequeño muchacho del redoblante (Invisible)--Santa Claus tienda 2016

El pequeño muchacho del redoblante (Invisible)--Santa Claus tienda 2016

Este tambor desempeña por sí mismo con magia palos (magnéticos). Es parte de Santa Claus tienda 2016, una pantalla de Navidad que está en construcción.Paso 1:Para construir este tambor, hay varias piezas impresas 3d, dos electroimanes, un Arduino y u
Trineo de Santa K'nex

Trineo de Santa K'nex

Oh no! Es casi la víspera de Navidad, y se descompone el trineo Claus de Santa! ¿Cómo que a entregar los regalos a todos los niños buenos del mundo? No se preocupe, la K'nex puede solucionar el problema! Usted, que los elfos de Santa Claus, debería s
Inicio hecho Santa Jack Skellington de pesadilla antes de Navidad

Inicio hecho Santa Jack Skellington de pesadilla antes de Navidad

para el pasado pocos años, nuestro hijo ha decidido su traje alrededor de sus zancos.Este año hicimos Santa Jack Skellington. La máscara fue hecha desde un globo de lámpara de acrílico de 12" de The home depot y la boca fue cortada y pantalla fue agr
La Santa Granada de mano de Antioquía

La Santa Granada de mano de Antioquía

en este tutorial te mostraré cómo hacer la Santa Granada de mano de Antioquía de Monty Python y el Grail santo. También fue presentado en video juegos como Fallout 2 y Fallout: New Vegas, Duke Nukem: tiempo de matar y Mafia Wars. La Granada se compon
Supercapacitor Santa del Engineer

Supercapacitor Santa del Engineer

Este supercapacitor powered, ornamento 3d impreso, motorizado giratorio tiene Ingeniero escrito todo sobre él. Rudolph, montando en un avión, tira de Santa y en este dispositivo "no está disponible en las tiendas".Paso 1: Imprimir las diferentes
Especial de Navidad - Santa Detector y más

Especial de Navidad - Santa Detector y más

¡¡Feliz Navidad!! Este video le mostrará cómo construir tu propio detector de santa con la frambuesa pi y el sistema de agitado. También se muestra cómo utilizar el bluetooth con la frambuesa pi y el intel edison para comunicarse. Tomar una taza de c
Dormir torta de Santa

Dormir torta de Santa

Santa es tuckered todos hacia fuera después de su gran noche de entrega de regalos!Hice este pastel para fiesta de Navidad de un cliente. El árbol y la silla son todos pastel y Santa, la chimenea y los regalos son trata de cereal de arroz.Usted neces
Cómo hacer una barba de pelo de perro de Santa

Cómo hacer una barba de pelo de perro de Santa

Aquí está lo que necesita:toallas de papelcinta de embalajepapel de pergaminotijerasSombrero de Santacepillo de perroperro blancoPaso 1: Reunir algún pelo de perroUtilice el cepillo de perro en el perro blanco a reunir suficiente pelo de su barba. Tr
Saludos de condimentos: Flying Spaghetti Monster Santa Candy trata

Saludos de condimentos: Flying Spaghetti Monster Santa Candy trata

Pastafarians, ¡ regocijaos! El monstruo de espagueti del vuelo no subcontratar el trabajo de distribuir regalos a los niños del mundo. Sus apéndices noodly infinitamente muchos hacen sus entregas.Ahora usted puede capturar la alegría y la majestuosid