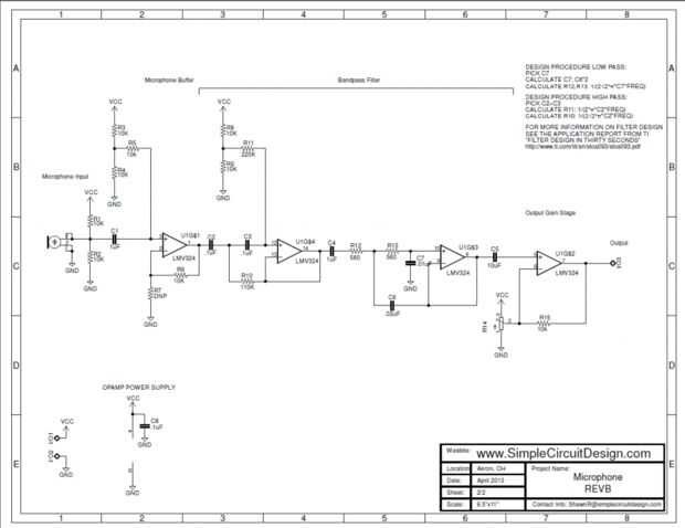
Paso 1: Los esquemas



Conecte la salida del micrófono al circuito comparador de voltaje (segundo esquema)
Conecte la salida del comparador para el MOSFET N-CH
Conectar el desagüe de los MOSFET N-CH con el disparador de la cámara
El tercer esquema es todo el diseño, dibujar con circuitos simples!
5V para VCC funciona bien. Usted puede ir tan alto como 12V o como 3.3V si es necesario.
NO TE OLVIDES TIERRA!