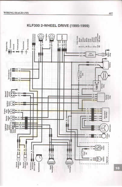
Paso 2: EH... las bombillas de vidrio literalmente había derretido...

Ahora, es algo importante de calor. Parecía que el regulador de tensión había dejado de trabajar. Estaba poniendo hacia fuera exceso de 17 VDC. He sustituido todas las bombillas y reemplazar el regulador/rectificador de voltaje con una marca nueva de Kawasaki (número de pieza de Kawasaki 21066-1089).
Ahora, cuando vayas a obtener partes eléctricas de los concesionarios Kawasaki, recuerde que obtienen real, verdadero orgullosos de sus precios para estas piezas. Ves, estas piezas están recubiertas en oro invisible. $185,41
Puse el nuevo regulador y comenzó el ATV. Todo parecía ser buena... para una semana o así. Dije notando las luces dimmer y conseguir realmente brillante mientras que montar por la noche y el motor comenzó a recibir un golpe en el mismo que sonaban como una falda de pistón relamerse el lado del cilindro en el lado derecho cuando las luces brillantes. Espera... ¿Qué????