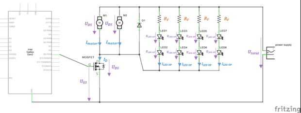
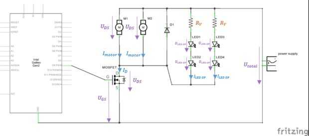
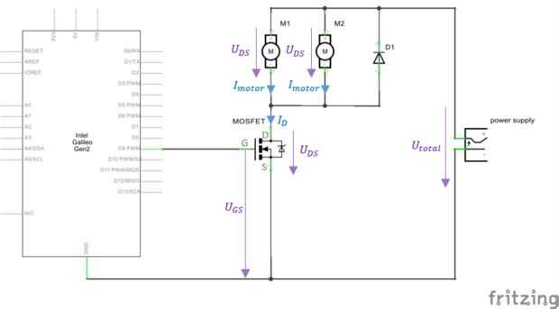
Paso 3: Modo de operación



El supuesto PWM (modulación de anchura de pulso) regula el voltaje que el pin pone en la puerta del MOSFET así el MOSFET regula la corriente que fluye del circuito. Los motores reciben electricidad solamente cuando el MOSFET lo permite. MOSFET y el motor no se comportan lineal pero en esta gama es una aproximación lo suficientemente cerca para que el cómputo adicional no es necesario.
La magnitud de la potencia se actualiza una vez que hay un nuevo valor en el canal "Smartilator". La magnitud de poder tolera valores de 0 a 100%. Teniendo en cuenta que los motores de arranquen con diferentes niveles, cada ventilador tiene un límite diferente.