Paso 3: Construcción y vivienda el circuito




Aquí hay algunas notas sobre el circuito.
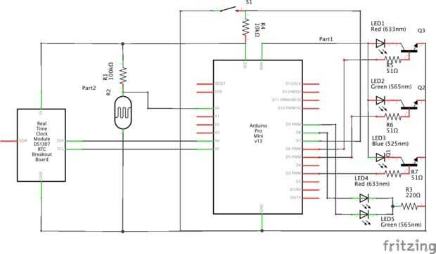
- S1 es un interruptor de pulsador momentáneo
- LED1, LED2, LED3 representan cada uno de los leds en la tira RGB
- El pin RAW está conectado en serie con un interruptor de palanca a 12V (no fotografiado)
- LED4 y LED5 representan el LED bicolor.
- El LDR está conectado en un divisor de tensión con una resistencia de 100K. Considere cambiar el valor de la resistencia de 100 k para ajustar la sensibilidad.
- Utilicé un módulo RTC DS1307 barato de ebay pero los de adafruit y sparkfun funcionará también.
Con respecto a la construcción física, esto depende de usted. Puede usar un protoboard, tabla tira o simplemente hacer cableado de punto a punto como yo lo hice. Cómo esto será ser dependiente en el recinto para su circuito. Quería usar un pequeño recinto tenía "comprime" el circuito considerablemente.
El interruptor se monta junto con la toma de corriente en un lado mientras que la bicolor led y pulsador se monta en el otro lado.
Consejos:
- Observe la LDR en la imagen. Recuerda hacer un agujero en la tapa para él!
- Asegúrese de que los encabezados de programación en el Mini Pro son accesibles por lo que se puede actualizar el programa fácilmente
- Utilice cinta eléctrica cuando sea necesario para evitar cortocircuitos desagradables si se utiliza el cableado punto a punto.
- Considerar el orden en que usted soldar los componentes. Los interruptores, LED y conector de alimentación se atornillan en primera antes de soldar. Esto es muy importante cuando se trabaja con recintos pequeños.
- Taladre un agujero en la parte inferior para que puede insertar más adelante los cables de las tiras de LED













