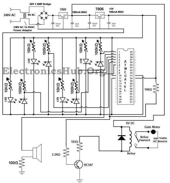
Sistema de Control automático de trenes puerta

se trata de un circuito llamado "Regulador automático de la puerta del tren". El objetivo principal de este proyecto es operar y controlar la puerta del tren sin tripulación de la manera correcta para evitar los accidentes en el cruce de tren sin tripulación.

Puede obtener información detallada sobre este circuito haciendo clic en el enlace proporcionado arriba.

Artículos Relacionados

Sistema de control automático de temperatura independiente MSP430G2231 ambiente (cualquier fan)

Sistema de control automático de temperatura independiente MSP430G2231 ambiente (cualquier fan)

Algunas de las partes que puede obtener de su tienda local de electrónica:1) universal para soldar Junta (ELIMEX): http://www.elimex.bg/product/20010/pl-uchebna-10-8...2) punta de transistor Darlington (ST) 121 http://www.elimex.bg/product/17811/tip1
Sistema de riego automático con sonda capacitiva y Arduino en el barato (y serio)

Sistema de riego automático con sonda capacitiva y Arduino en el barato (y serio)

Descargo de responsabilidad: Yo no soy un ingeniero en electrónica, por lo que no puedo ofrecer ninguna garantía para el diseño (mucho menos para su implementación). Sólo sé la presentó solución trabajada para mí por lo menos unos 5-6 meses (por lo q
Sistema de riego automático

Sistema de riego automático

Este es un tutorial detallado de cómo creé un sistema de riego automático para un jardín utilizando el microcontrolador familia Texas instrumento Tiva. Hay un puñado de ejemplos en línea sobre sistemas de riego, pero realmente quería algo que podría
Sistema de riego automático / automatización la máquina

Sistema de riego automático / automatización la máquina

En primer lugar, permítame presentarle mi proyecto.Mi dispositivo es sistema de riego automático (interruptor de encendido/apagado solenoide de agua pero también en lugar de solenoide puede cambiar cualquier cosa que utilice corriente alterna - signi
Sistema de aparcamiento automático

Sistema de aparcamiento automático

Estoy muy emocionado crear un proyecto de IoT con arduino. Hoy voy a enseñarte chicos a hacer un impresionante coche aparcamiento sistema remoto. Pasemos al siguiente paso para encontrar más!Paso 1: introducciónHola chicos, en este tutorial que vamos
Sistema de vigilancia automático casero con arduino (simple y barato)

Sistema de vigilancia automático casero con arduino (simple y barato)

El objetivo de mi proyecto es lograr el sistema de vigilancia de inicio automático sin ninguna interferencia manual. En general otro sistema de vigilancia es necesario receptor en la TV y la cámara de energía cada vez. Y también necesita a cualquier
Sistema de llenado automático de agua de Keurig B40/B60/B70

Sistema de llenado automático de agua de Keurig B40/B60/B70

Este es un proyecto simple que hice para evitar la adición de agua en mi maquina cada vez que tomo una taza de café. Es un sistema bastante simple pero también requiere conocimientos básicos de plomería y habilidades eléctricas / soldaduras:-). Este
CONTROL AUTOMÁTICO DEL AGUA... AUTO apagar la bomba de agua

CONTROL AUTOMÁTICO DEL AGUA... AUTO apagar la bomba de agua

detiene automáticamente bajadas agua bomba wen tanque de agua es completoComponentes requeridosFuente de alimentación (6v)Temporizador NE 555 ICResistencias (100Ωx2, 10kΩ)Relé (6V, 30A)BC 548 transistor x2Diodo 1N4007Paso 1: 555 icCircuito de control
Sistema de timbre automático con detección de objetos

Sistema de timbre automático con detección de objetos

este es uno de los circuitos muy interesantes y muy útiles en nuestra vida real llamado "Sistema automático de llamada de timbre". Si instalamos este timbre automático con circuito de detección de objeto, el circuito automáticamente detectará la
Control automático de nivel de agua de lavadora partes

Control automático de nivel de agua de lavadora partes

mi pequeño sistema de hidroponía utiliza un barril de 55 galones para el almacenamiento de agua. El agua fluye desde el cañón a través de a través de la planta por gravedad y luego es bombeado hacia el cañón. Cualquier sistema es propenso a fugas. La
Bloqueo del teclado automático de la puerta

Bloqueo del teclado automático de la puerta

Objetivo: Averiguar una manera de bloquear nuestro doble puerta desde ambos lados, asegurando la yarda. El mecanismo de bloqueo debe permanecer abierto, porque a menudo dejamos la puerta abierta cuando se trabaja todo día en el patio.Fondo: Contamos
Control automático de la energía del USB HDD para un Raspberry Pi base NAS

Control automático de la energía del USB HDD para un Raspberry Pi base NAS

La placa Raspberry Pi es ampliamente utilizada para construir casa-servidores de la comunidad de lo que usted mismo (DIY), por lo que parecía una buena opción para ser la base para mi página en red servidor (NAS).Este NAS debe tener dos tipos princip
Abrelatas automático de la puerta de pollo

Abrelatas automático de la puerta de pollo

Hola este es mi primera instructable si lo siento no es perfecto.Básicamente compré hace un tiempo algunas gallinas y pensó en hacer algo para abrir automáticamente la puerta cuando obtiene luz de cos soy bastante perezoso en las mañanas ;).Después d
Módulo de conmutador de Smoothieware para el control automático del ventilador

Módulo de conmutador de Smoothieware para el control automático del ventilador

Se trata de un seguimiento a mi Instructable sobre configuración de MKS como v1.2 32-bit controlador básicos y intro para Smoothieware.Como el anterior, esto es usando como pero funciona igualmente bien en el Smoothieboard original.Esta vez voy a ech