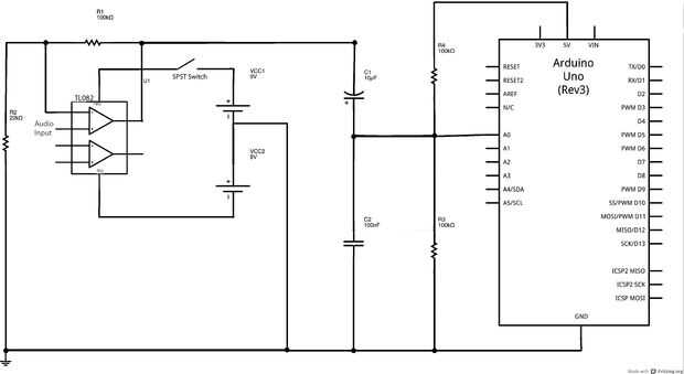
Paso 6: Amplificar y Offset



Es un esquema del circuito que tendrá que hacer esto.
Te recomiendo construir este circuito en un protoboard y pruebas utilizando un osciloscopio antes de soldar juntos. Su entrada de audio debe ser el cable verde del conector de sonido. Conecte el cable negro de la toma a tierra. Conecte la sonda de alcance a la salida de la DC offset (donde el circuito está conectado a A0 en el Arduino). Todo el camino a subir el volumen de su guitarra y enchufe su guitarra en la toma de audio. Tocar cada cuerda y verificar en el osciloscopio para asegurarse de que su señal se centra alrededor de 2.5V y que la señal está cerca pero no exceda de 5V pico a pico.
Intente ejecutar esta versión modificada del código de Amanda para la detección de frecuencia de Arduino probar el cálculo de frecuencia de Arduino. Lo único que he cambiado de su código es he quitado el indicador LED de saturación e impreso en lugar de otro "recorte" en el monitor serial cada vez que los clips de la señal.
/* * Modified Arduino Frequency Detection * by Nicole Grimwood * * For more information please visit: *
El monitor serial debe imprimir la frecuencia de la cuerda tocada. Cuerdas de la guitarra deben tener las siguientes frecuencias:
E - 82,4 Hz
A - 110 Hz
D - 146.8GB Hz
G - 196 Hz
B - 246.9 Hz
E - 329.6 Hz
Desde el más alto las cuerdas tienen una señal de amplitud mucho menor que la cuerda inferior, puede ser difícil obtener la detección de frecuencia para trabajar. Código de Amanda tiene una variable llamada ampThreshold que es la amplitud de la señal mínima para el Arduino calcular la frecuencia. Para el sintonizador de la guitarra, el ampThreshold debe ser lo suficientemente alto como para que el Arduino calcula la frecuencia de las secuencias más altas, pero también bajo bastante que no recoge demasiado ruido de las cuerdas inferiores. Descubrí que un ampThreshold de 20 obras. Tienes que rasguear las cuerdas altas un poco más difíciles conseguir el Arduino a recogerlos, pero la detección de frecuencia funciona bien. Se puede experimentar con otros valores para hacer que funcione para usted. Valores entre 10 y 30 trabajan muy bien. Para obtener más información sobre el algoritmo de Amanda para la detección de frecuencia, revisa su Instructable: detección de frecuencia de Arduino.