


Este Instructable describe la construcción y operación, de un sintetizador de frecuencia independiente adecuado para uso como un generador de señal, o para el uso como la frecuencia del oscilador local en un receptor o transmisor en la banda de aficionados.
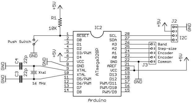
Mi prototipo fue construido en un pedazo de tablero de "Vero". El ATmega328P debe ser socketed si usted decide hacer su propio tablero de "Vero" Arduino. El código de Arduino se anota bien y contiene vínculos a todas las bibliotecas requeridas del"". Construcción no es crítica.
El corazón de este sintetizador de frecuencia es el "Adafruit Si5351A reloj generador de arranque" que puede generar hasta tres salidas en la gama de frecuencia de 8KHz a MHz 160. La Junta de arranque de Si5351 se diseña para funcionar fuera de 5 voltios y tiene una I2C interfaz que hace fácil conectar con un Arduino. Todo lo que necesita es un Arduino, un codificador rotatorio, una pantalla de LCD I2C de línea de 16 caracteres x 2 y algún software. El nivel de salida de este sintetizador es aproximadamente 3 voltios pico a pico.
El segundo componente es el codificador que el patrón de código siguiente de Carnby "Gris":
.
11 (guión - CCW)
10
00
01
11 (guión - referencia)
10
00
01
11 (guión - CW)
.
El codificador siempre se basa en un guión (patrón 11) cuando la perilla de sintonización es estacionaria. Si se gira la perilla de sintonización CCW (contador hacia la derecha) entonces la secuencia de patrón entre guiones es la 01, 00, 10, 11. Si, sin embargo, se gira la perilla de sintonización CW (derecha) y luego la secuencia patrón entre guiones es 00, 01, 10, 11. La reversión de este patrón nos permite determinar la dirección de ajuste. La nueva frecuencia se determina multiplicando el número de "guiones" por el ajuste de tamaño de paso y añadir/restar este desplazamiento de la frecuencia actual.
El codificador rotatorio viene equipado con un interruptor unipolar pulsador que utilizo para controlar el tamaño de paso ajuste en incrementos de 10, 100, 1000, 10000 y 100000 Hz. Una pulsación breve en el botón de sintonización aumenta el tamaño de paso tuning. Una pulsación más larga en la perilla de sintonización hace que el tamaño de paso a disminuir.
Todos los interruptores mecánicos sufren del rebote de contacto que hace para la afinación errática. En vez de "contra"rebotes cada interruptor con hardware estoy utilizando un integrador de software.
Se incluye un interruptor de cambio de banda SPST. Cuando se activa el interruptor es posible recorrer cada una de las bandas de radioaficionados girando la perilla de sintonización. La perilla de sintonización se comporta normalmente cuando el interruptor está desactivado.
Programando el microcontrolador ATmega328P es relativamente simple. Primero instalar las "bibliotecas" en "source_code.txt". Pegar el contenido de "source_code.txt" en un nuevo sketch de arduino y guárdelo como "signal_generator.ino". Haga clic en "archivo/cargar" y todo va bien, "_generator.ino la señal del" se compila y luego subir a tu Arduino UNO R3. Una vez que el archivo ha sido cargado, desenchufe el microcontrolador ATmega328P de tu Arduino UNO R3 e insertarlo en la toma de la Junta de "Vero". Aplicar 9 voltios y todo deberá encenderse.
Importante: aunque el breakout Junta escurr de 5 voltios, el chip de Si5351 sí mismo funciona de 3.3 voltios. Esto significa que la tensión máxima de cada salida es de 3,3 voltios. Un buffer es necesario cuando la conexión a los circuitos de lógica de 5 voltios.