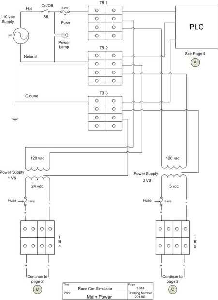
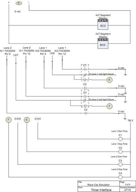
Simulador de carrera (2 / 4 paso)

Paso 2: Cableado

Artículos Relacionados

El simulador del coche

El simulador del coche

Se trata de un simulador de gorjeo.Necesitarás:-A escala-Un volante con pedal-Un ordenador (obviamente)-Un juego (tengo Grid 2, Trackmania, Dirt 2 y F1 2013)- Y un equipo de músicaY en la foto es mi hermano jugar :)Paso 1: Mi Simulador de coches esca
Lever keyboard

Lever keyboard

Yo reinventar la rueda.Parece que se puede hacer con el teclado. Qué fabricantes no sólo creen... intentó hacerlos más delgados, cambiaron el material de fabricación. Había metal, botones de madera y mucho más. Una cosa queda sin cambios - este tecla
¿Cinturón silla

¿Cinturón silla

no se siente lo suficientemente seguro sentado en su silla de la computadora? ¿Tiene la sensación de seguridad que da un coche? Este cinturón de seguridad será darle un sentido artificial sin precedentes de seguridad, o añadir otra capa de realismo a
Compacto de Sim Racing Pod

Compacto de Sim Racing Pod

con una enredadera de garaje como una plataforma móvil para un simulador de carreras.Básica - habilidades de carpintería intermedia recomendadas.Elementos necesarios:1 x enredadera de garaje ($15-50)1 x sistema de juegos ($100-250)1 x volante/pedales
Estante de pared simple y eficaz juego accesorios

Estante de pared simple y eficaz juego accesorios

Si usted está harto de su escritorio está abarrotado con accesorios de juegos de azar, ¿por qué no hacer un estante de juegos de azar? Se trata de una forma sencilla de hacer las cosas organizadas. -Nivel principiante.Materiales:12mm MDFAlambre reves
Arduino y Visual Basic 6 (controlador de luz)

Arduino y Visual Basic 6 (controlador de luz)

este instructable es algo así como un tutorial para los nuevos usuarios VB. Muestra cómo crear un programa de VB6 base de analizador para interactuar con el circuito de Arduino. Básicamente, la interacción es en forma de comunicación en serie mediant
Carreras simulador h-palanca de cambios + 3 pedales [eje] TUT

Carreras simulador h-palanca de cambios + 3 pedales [eje] TUT

DIY tutorial h palanca de cambios se puede encontrar aquí http://tutorial-diy.webs.com/Pedales axis DIY - tutorial se puede encontrar aquí http://tutorial-diy.webs.com/Una demostración puede ser senn en el video http://www.youtube.com/watch?v=y9m--or
Cómo hacer un Mini de carreras teledirigido

Cómo hacer un Mini de carreras teledirigido

En primer lugar, este es mi primer instructable para que por favor sea suave.Ahora que está fuera del camino, voy a enseñarte cómo construir un mini robot de carreras. Esto es un hobby que ha crecido rápidamente en popularidad y luego de leer este ar
Soporte de la rueda de carreras

Soporte de la rueda de carreras

Volantes de videojuegos (y cajas de pedal) que jugando carreras juegos/simuladores mucho más divertido. Por supuesto que hacen! Y por el dinero que cobran por ellos mejor! Pero incluso si decides la bifurcación sobre la pasta y comprar uno, que no ha
Asiento de simulador de conducción

Asiento de simulador de conducción

soy un gran fan de fórmula 1 y siempre te has preguntado cómo sería como conducir uno.Aunque ha habido algunos PC y juegos de la consola sobre los juegos de carreras, ninguno que pude ver era tan real como debe ser.Como un volante de simulador de vue
El ecualizador de gráfico de alcoholemia de simulador de relámpago - Arduino Powered

El ecualizador de gráfico de alcoholemia de simulador de relámpago - Arduino Powered

ACTUALIZACIÓN: Una versión portable de la alcoholemia que habla aquí es http://talkingbreathalyzer.com ***Las tiras LED están montadas en un trellace al aire libre que funciona como un simulador de rayos, alcoholemia al aire libre, ecualizador gráfic
Panel interruptor personalizado para un simulador de vuelo

Panel interruptor personalizado para un simulador de vuelo

este es mi primer instructable.  Si había pensado que tendría tomó fotos de todo el proyecto al tiempo que.Este instructable es sólo un ejemplo de cómo puede hacer un panel de interruptores personalizados para agregar algunos realismo a tu sim de vue
Volar juego de simulador de vuelo libre de aviones Jet

Volar juego de simulador de vuelo libre de aviones Jet

Videojuego basado en simulación de vuelo se ha convertido en tan avanzada y realista que usted realmente se siente como usted está volando un avión. En el modo simulador algunos juegos permiten controlar el pitch, yaw, roll, acelerador, aletas, tren
Simulador del sistema solar mediante procesamiento

Simulador del sistema solar mediante procesamiento

En este post, construiremos un sencillo simulador de la Sistema Solar mediante procesamiento. El software, al final de la construcción, será la apariencia como en el video adjunto.Paso 1: Descargar e instalar el procesamientoSi todavía no lo has hech